电力与能源解决方案

更多的信息
  • 连接外部蓄能器时的特殊情况
  • 通过放电电阻为蓄能器放电
  • 蓄能器的放电时间
  • 不带电源连接的应用
  • 并联开关电源模块MDS90A..
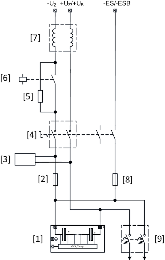
  • DC功率输入端
  • 放电单元的接口
  • 电容模块MDC90A-0120..的温度监控

SEW-EURODRIVE GmbH & Co KG

版本: 03/2025

© Copyright: 2025

关键词索引

MOVIDRIVE® modular

语言

  • Deutsch
  • English
  • Brasileiro
  • Español
  • 汉语
SEW-EURODRIVE LogoSEW-EURODRIVE
  • 首页
  • 电气安装
  • 电力与能源解决方案