Integrated safety technology

Additional information
  • Overview of firmware versions
  • Overview of the safety options
  • Safe state
  • STO safety concept
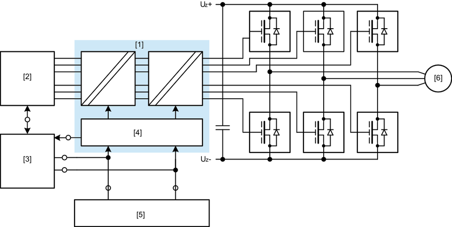
  • Schematic representation of the STO safety concept
  • MOVISAFE® CS..A safety concept
  • Safety sub-functions according to EN 61800-5-2
  • Restrictions
  • Safety concept of Assist CS..

SEW-EURODRIVE GmbH & Co KG

Edition: 03/2025

© Copyright: 2025

Index

MOVIDRIVE® modular

Language

  • Deutsch
  • English
  • Brasileiro
  • Español
  • 汉语
SEW-EURODRIVE LogoSEW-EURODRIVE
  • Home
  • Project planning for functional safety
  • Integrated safety technology