Fijación del motor DCA63.. y DCA80..
Observe las siguientes indicaciones al fijar los tornillos en el motor:
- Para la fijación, utilice únicamente los orificios en el lado de salida de la carcasa del motor.
- Para ello, transfiera los orificios necesarios para el resalte de centraje del accionamiento y el círculo primitivo de los orificios de fijación a la placa de montaje y taládrelos (véase el plano siguiente).
- Fije los accionamientos a una superficie plana con al menos 4 tornillos.
- Utilice para la fijación tornillos autorroscantes según DIN 7500. SEW‑EURODRIVE recomienda uniones roscadas con tornillos del tipo Taptite 2000®.
- De los 3 círculos de taladros disponibles, elija a ser posible el de mayor diámetro.
- Si suelta y vuelve a establecer la unión atornillada, también puede utilizar tornillos métricos. SEW-Eurodrive recomienda el uso de un adhesivo bloqueador de roscas.
- Los tornillos autorroscantes pueden atornillarse de nuevo después de soltarlos. Para ello, coloque el tornillo autorroscante en sentido contrario al de giro hasta que la rosca encaje. A continuación, enrosque manualmente el tornillo autorroscante una vuelta en el sentido de giro. A continuación, apriete el tornillo autorroscante con el par de apriete especificado. No deben utilizarse atornilladores de impulso o de impacto. Los destornilladores manuales sólo están permitidos en caso de trabajos de servicio.
- Observe los pares recomendados de atornillado y apriete de los tornillos de fijación según las tablas en el capítulo Determinar la longitud del tornillo.
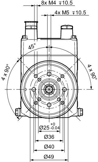
La siguiente imagen muestra en el accionamiento DCA63.. orificios para tornillos autorroscantes según DIN 7500. SEW‑EURODRIVE recomienda utilizar tornillos TAPTITE 2000®.

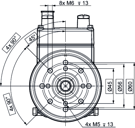
La siguiente imagen muestra en el accionamiento DCA80.. orificios para tornillos autorroscantes según DIN 7500. SEW‑EURODRIVE recomienda utilizar tornillos TAPTITE 2000®.

Información adicional

