¿Cómo podemos ayudarle?

Temas importantes

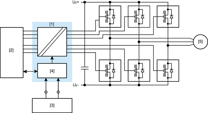
Estructura de la unidad

  • Designación de modelo

Instalación mecánica

  • Montaje del accionamiento
  • Instalar la unidad de accionamiento

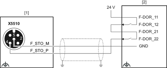
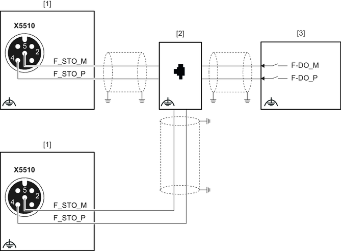
Instalación eléctrica

  • Normativas de instalación
  • Posiciones de conectores en el módulo de interfaz DFC..8.
  • Posiciones de conectores en el módulo de interfaz DFC..9.
  • Conexión de PC

Puesta en marcha

  • Puesta en marcha consola de programación CBG21A y CBG22A

Servicio

  • Fallos en el accionamiento mecánico
  • Descripción de las indicaciones de estado y funcionamiento
  • Tabla de fallos
  • Cambio de la unidad
  • Servicio técnico de SEW‑EURODRIVE
  • Puesta fuera de servicio
  • Almacenamiento prolongado
  • Eliminación de residuos

Inspección y mantenimiento

  • Trabajos de inspección y mantenimiento

SEW-EURODRIVE GmbH & Co KG

Edición: 10/2024

© Copyright: 2025

Índice alfabético

MOVIMOT® performance ELV

Idioma

  • Deutsch
  • English
  • Us-English
  • Español
  • Brasileiro
  • 汉语
  • Français
SEW-EURODRIVE LogoSEW-EURODRIVE
  • Principal