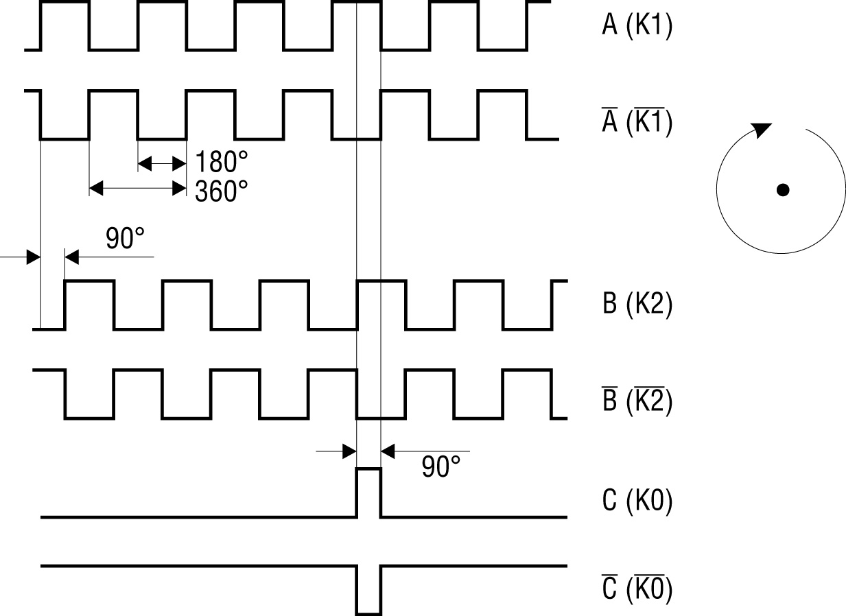
Wie funktionieren Gebersysteme?
Weiterführende Informationen
Rotatorische Gebersysteme
❮
❯
Einbaugeber, Anbaugeber und Sicherheitsgeber
Sprache
Deutsch
English
SEW-EURODRIVE
Home
Praxis der Gebertechnik
Was sind Gebersysteme?
Wie funktionieren Gebersysteme?