How can we help?

Important topics

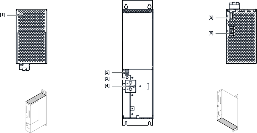
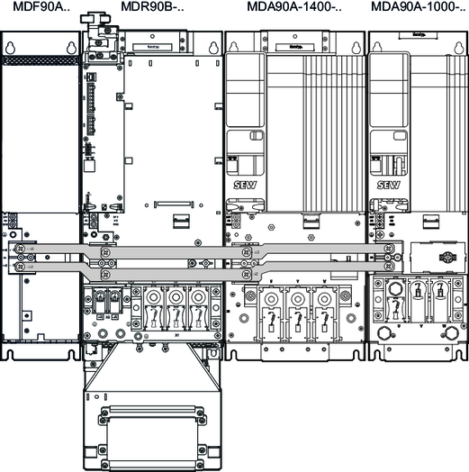
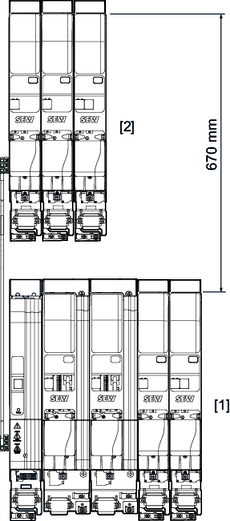
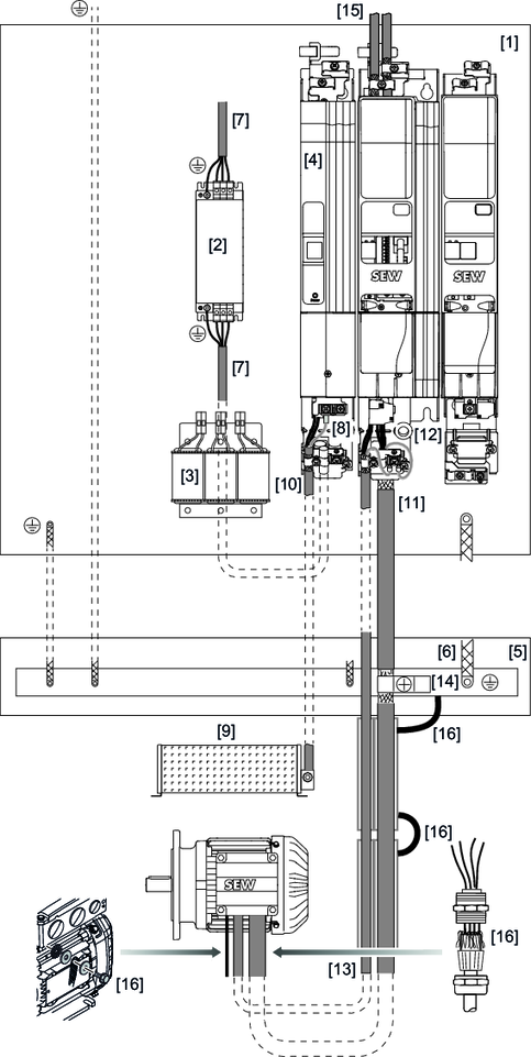
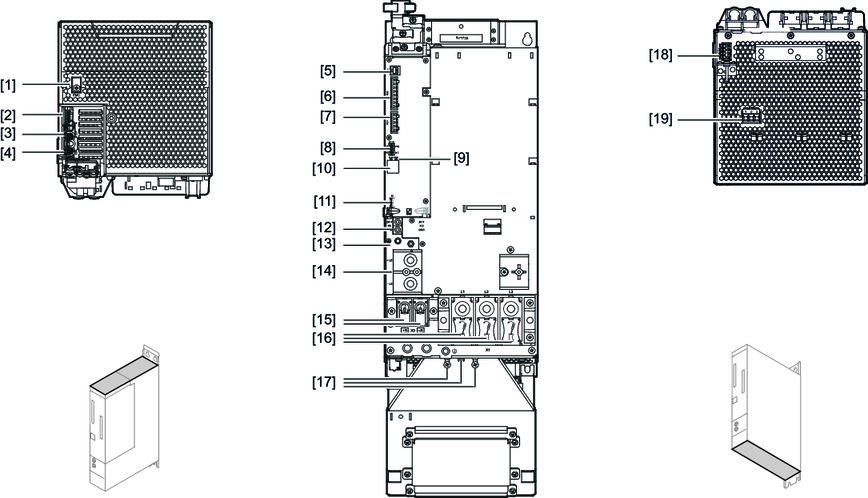
Device structure, axis system structure

  • Nameplates
  • Type code

Installation

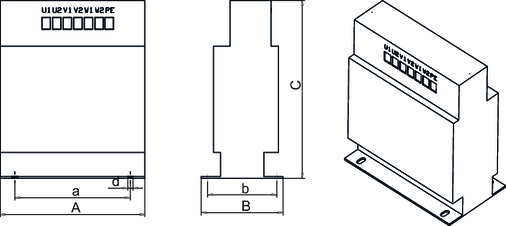
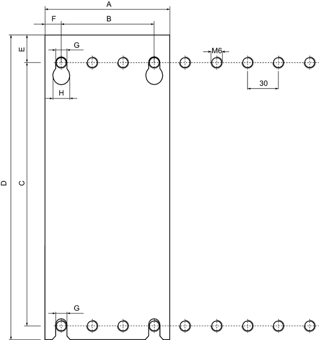
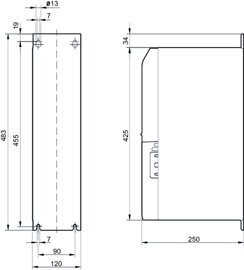
  • Hole pattern
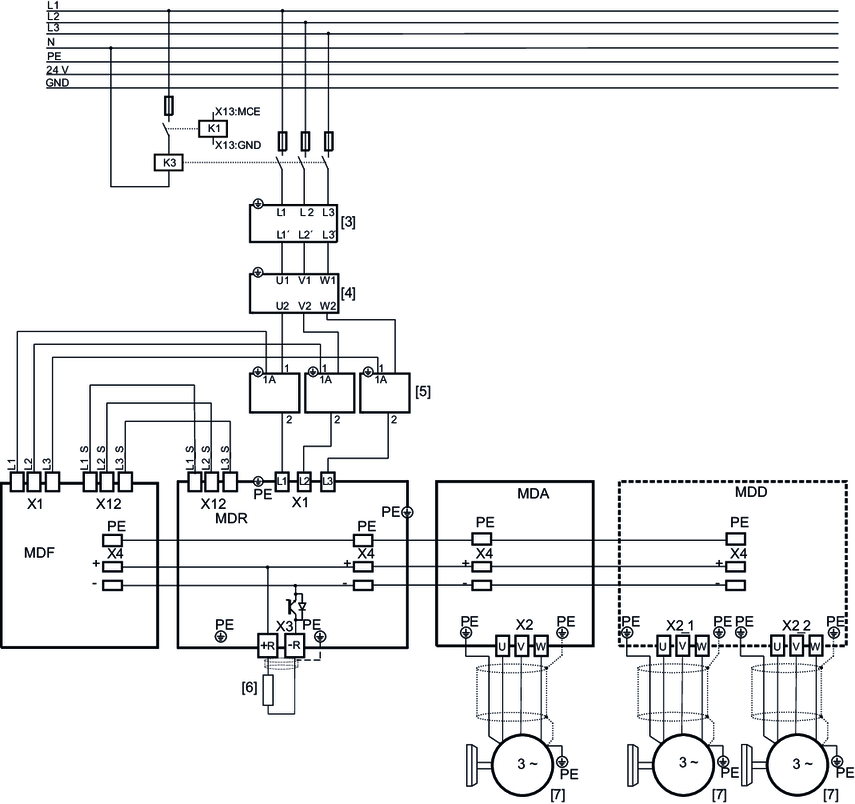
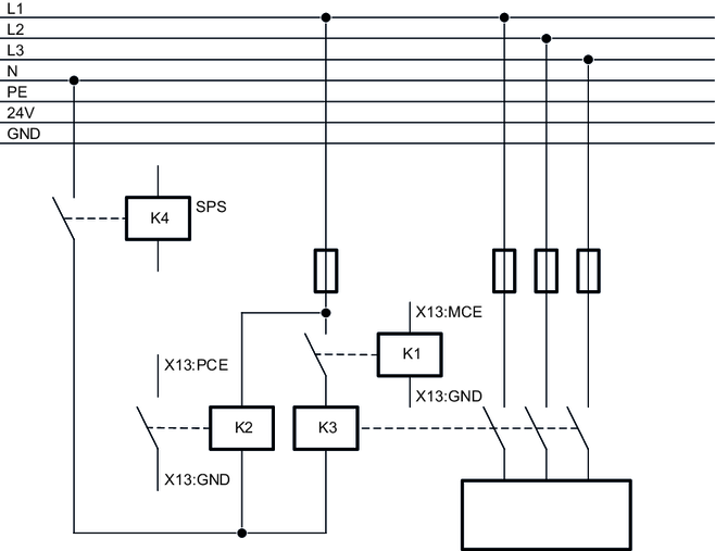
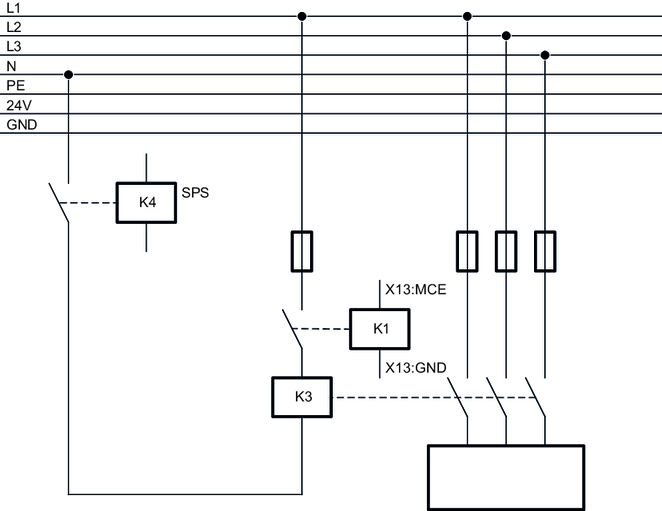
  • Use in IT systems
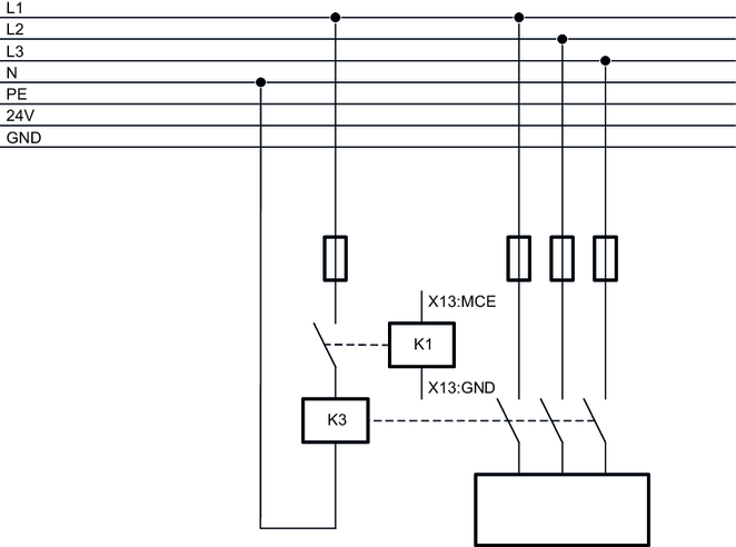
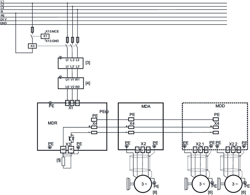
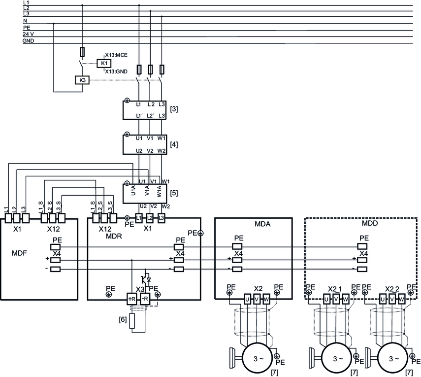
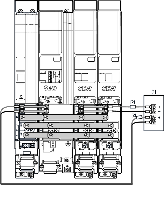
  • Connecting a safe brake module to the DC link
  • UL-compliant installation

Startup

  • Flow diagram for the MDR90B-.. sinusoidal regenerative power supply
  • Flow diagram for the MDR91B-.. block-shaped regenerative power supply

Operation

  • Operating displays
  • Faults at the supply and regenerative module

SEW-EURODRIVE GmbH & Co KG

Edition: 07 / 24

© Copyright: 2024

Supply and Regenerative Module

Language

  • English
  • Deutsch
SEW-EURODRIVE LogoSEW-EURODRIVE
  • Home