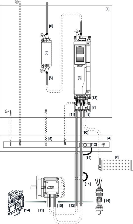
Elektrische Installation
Weiterführende Informationen
- Installationsplanung unter EMV-Gesichtspunkten
- Installationsvorschriften
- Anschluss an den Leistungsklemmen
- 24-V-Versorgungsspannung
- Netzsicherungen
- Brems-Chopper-Ausgang
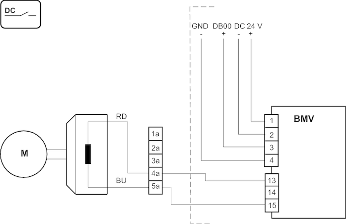
- Temperaturfühler
- Ausgang Bremsenansteuerung
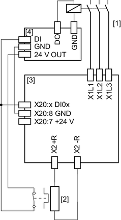
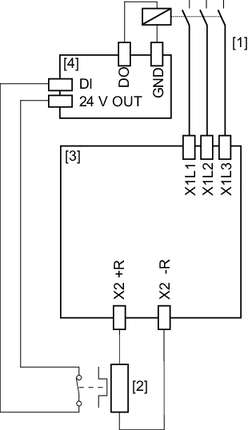
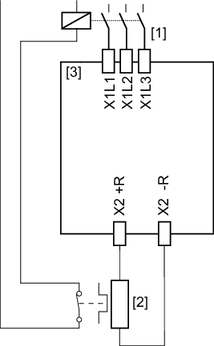
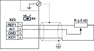
- Ein-/Ausgänge
- Geber
- MOVILINK® DDI
- Feldbuskabel und Kabelführung
- Bremswiderstände BW..
- Netzdrossel ND..
- Netzfilter NF..
- Klemmenbelegung
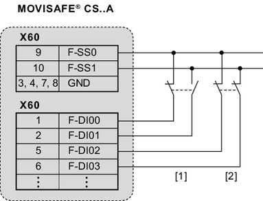
- Elektrische Installation – Funktionale Sicherheit
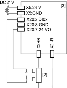
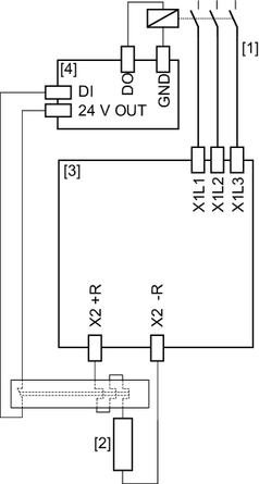
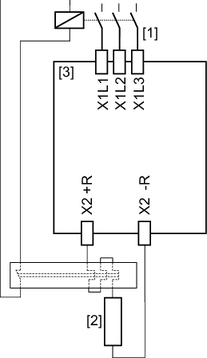
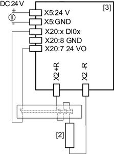
- Anschlussbilder
- PC-Anschluss






























































































