Wie können wir helfen?

Wichtige Themen

Projektierung Gerät

  • Antriebsauslegung und Antriebsbestimmungen
  • Auswahl eines Umrichters
  • Auswahl des Bremswiderstands

Projektierung Funktionale Sicherheit

  • Sicherheitstechnische Auflagen

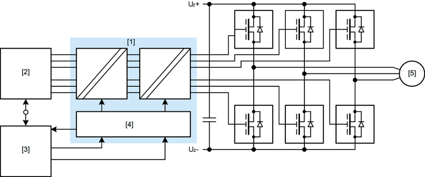
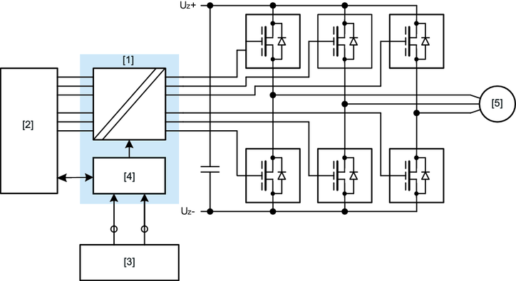
Geräteaufbau

  • Umrichter
  • Typenbezeichnung

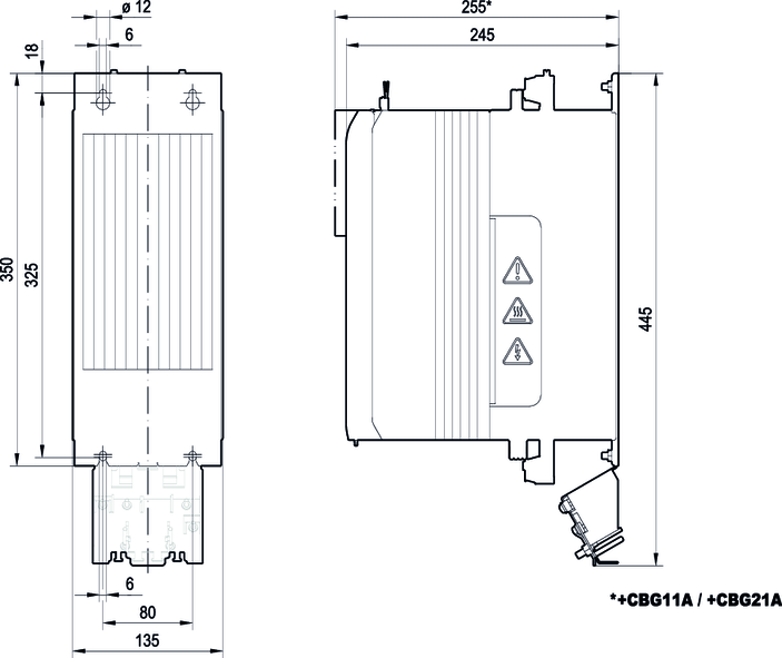
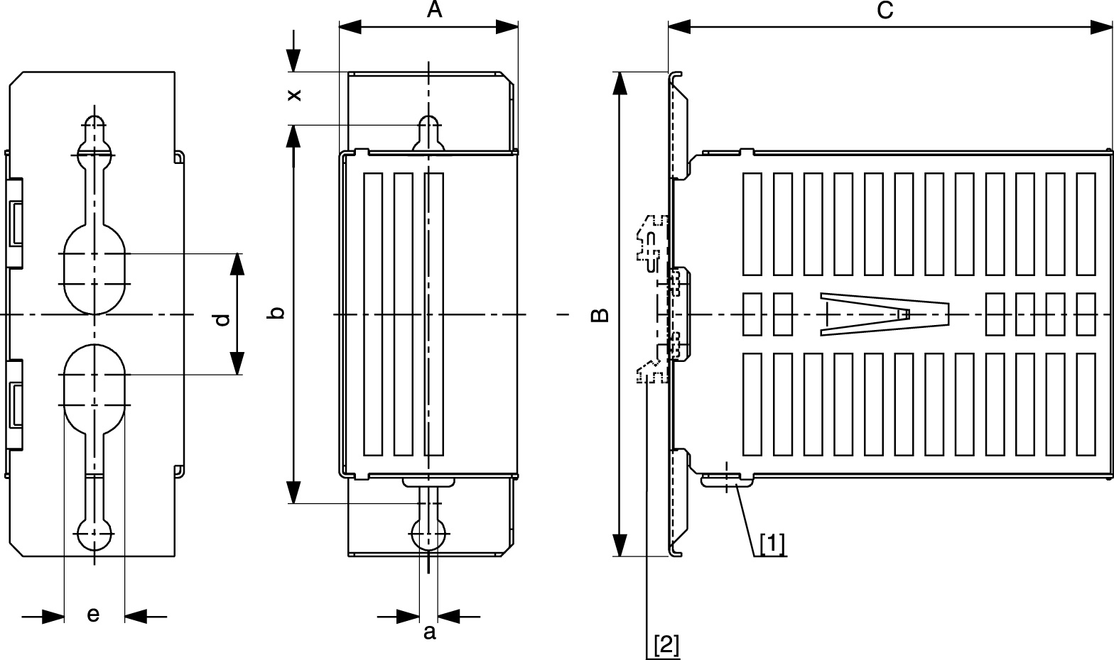
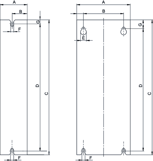
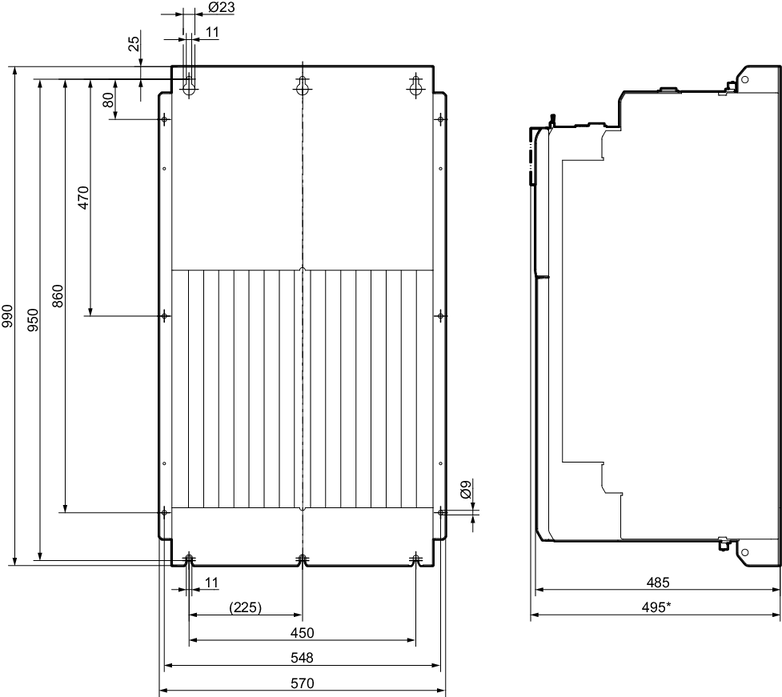
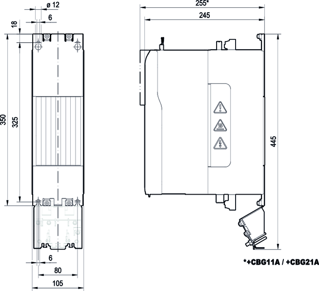
Mechanische Installation

  • Umrichter der Baugröße 0S und 0L montieren
  • Umrichter der Baugröße 3 – 8 montieren
  • Schirmblech montieren
  • Bremswiderstände montieren

Elektrische Installation

  • Installationsplanung unter EMV-Gesichtspunkten
  • 24-V-Versorgungsspannung
  • Geber
  • Klemmenbelegung
  • PC-Anschluss

Inbetriebnahme

  • Inbetriebnahme von Fremdmotoren
  • Inbetriebnahme mit Engineering-Software MOVISUITE®
  • Inbetriebnahme von Motoren mit Schnittstelle MOVILINK® DDI
  • Inbetriebnahme der Sicherheitsoption MOVISAFE® CS..A
  • Inbetriebnahme der Sicherheitsoption am Sicherheitsprotokoll

Service

  • Status- und Betriebsanzeigen der 7-Segment-Anzeige
  • Fehlerbeschreibung Grundgerät
  • Gerätetausch

SEW-EURODRIVE GmbH & Co KG

Ausgabe: 8/2024

© Copyright: 2024

Stichwortverzeichnis

MOVITRAC® advanced

Sprache

  • Deutsch
  • English
  • Español
  • Brasileiro
  • 汉语
SEW-EURODRIVE LogoSEW-EURODRIVE
  • Home