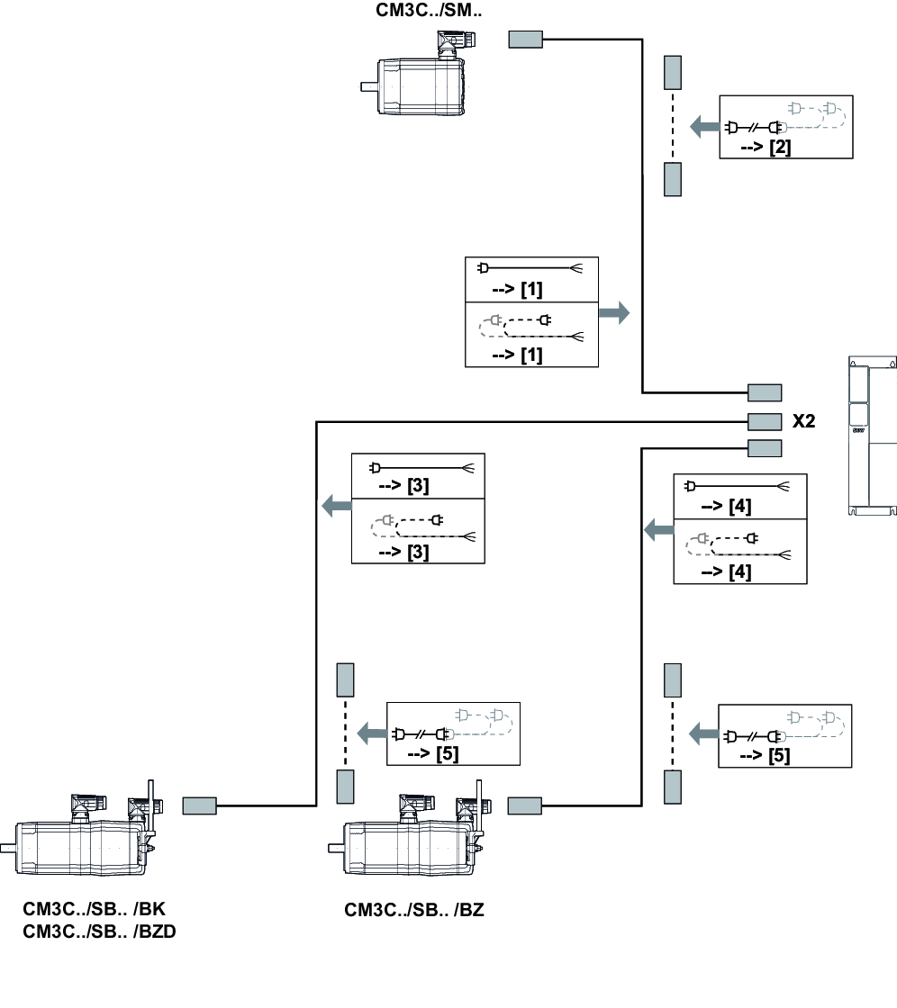
Vista general

[1]

Cable del motor ../SM..

[2]

Cable de extensión del motor ../SM..

[3]

Cable del motor freno ../SB.. para frenos /BK y /BZD

[4]

Cable del motor freno ../SB.. para freno /BZ

[5]

Cable de extensión de motor freno ../SB.. para frenos /BK, /BZD y /BZ

SEW-EURODRIVE GmbH & Co KG

Edición: 8/2024

© Copyright: 2024

Índice alfabético

MOVIDRIVE® technology

Idioma

  • Deutsch
  • Brasileiro
  • English
  • Español
  • 汉语
SEW-EURODRIVE LogoSEW-EURODRIVE
  • Principal
  • Cables prefabricados
  • Cable de potencia
  • Cable de potencia para motores CM3C..
  • Vista general