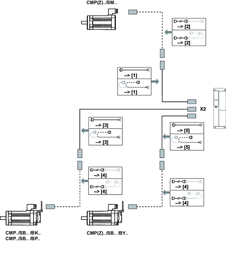
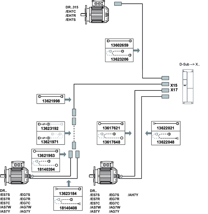
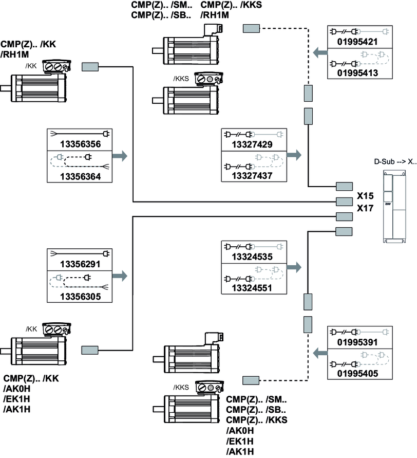
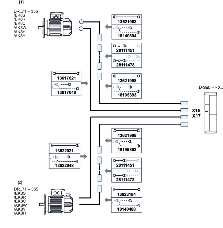
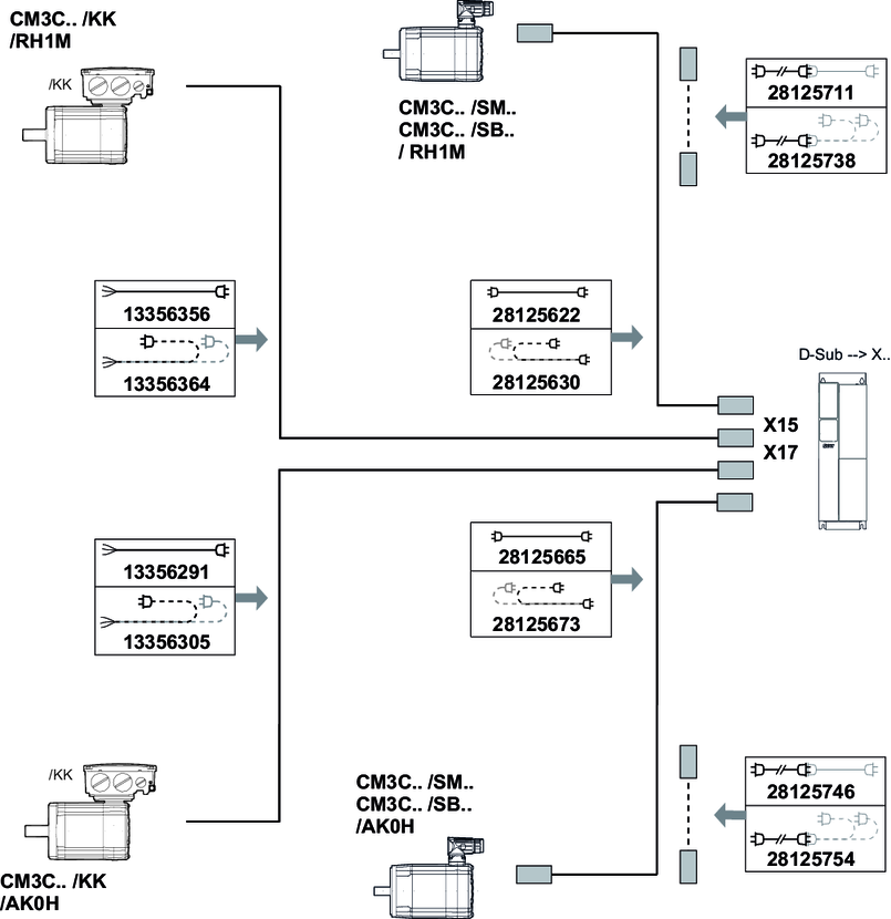
Cables prefabricados

Información adicional
  • Significado de los símbolos
  • Cable de potencia
  • Cable de encoder
  • Cable para MOVILINK® DDI
  • Cable de bus del módulo
  • Cable de bus de sistema

SEW-EURODRIVE GmbH & Co KG

Edición: 8/2024

© Copyright: 2024

Índice alfabético

MOVIDRIVE® technology

Idioma

  • Deutsch
  • Brasileiro
  • English
  • Español
  • 汉语
SEW-EURODRIVE LogoSEW-EURODRIVE
  • Principal
  • Cables prefabricados