Electrical installation – functional safety

Additional information
  • Important information
  • Installation instructions
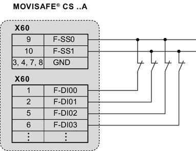
  • Terminal assignment of the MOVISAFE® CS..A safety option
  • Safe disconnection
  • Connection examples for safe digital inputs (F-DI..)
  • Connection examples for safe digital inputs
  • EI7C FS built-in encoder
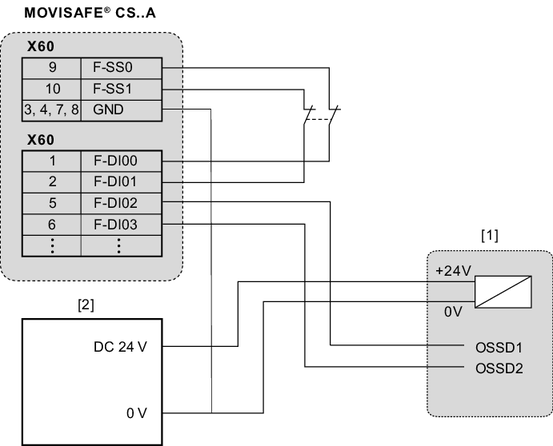
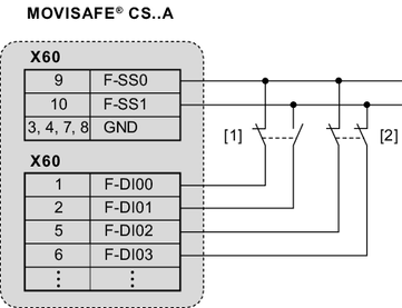
  • Connection variants of the safety sub-function STO

SEW-EURODRIVE GmbH & Co KG

Edition: 8/2024

© Copyright: 2024

Index

MOVIDRIVE® technology

Language

  • Deutsch
  • Brasileiro
  • English
  • Español
  • 汉语
SEW-EURODRIVE LogoSEW-EURODRIVE
  • Home
  • Electrical installation
  • Electrical installation – functional safety