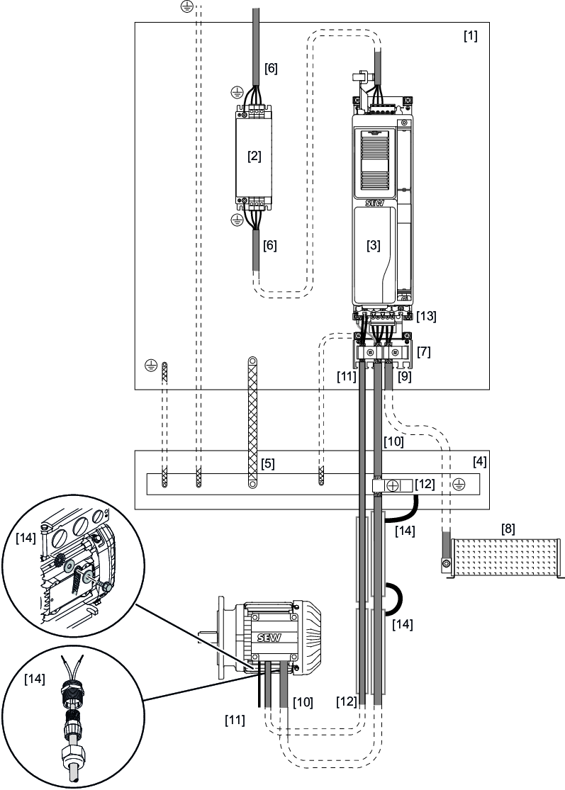
Electrical installation
Additional information
- Installation planning considering EMC aspects
- Installation instructions
- Connection to power terminals
- 24 V supply voltage
- Line fuses
- Brake chopper output
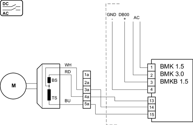
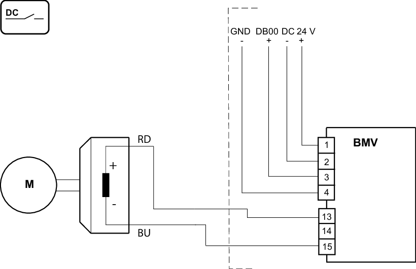
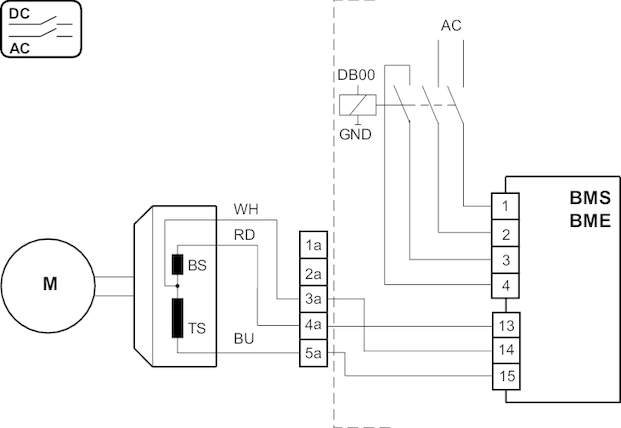
- Temperature evaluation
- Brake control output
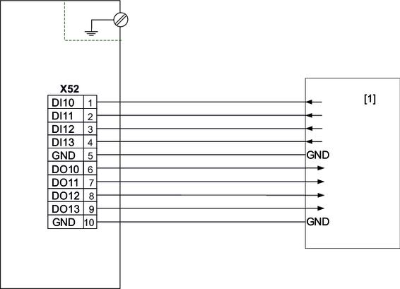
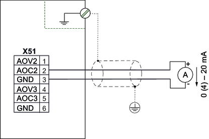
- Inputs/outputs
- System bus and module bus cabling
- Encoders
- MOVILINK® DDI
- Fieldbus cables and cable routing
- CIO21A and CID21A input/output card
- BW.. braking resistors
- ND.. line choke
- NF.. line filter
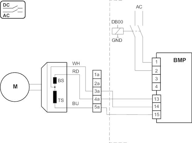
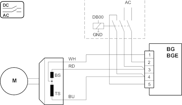
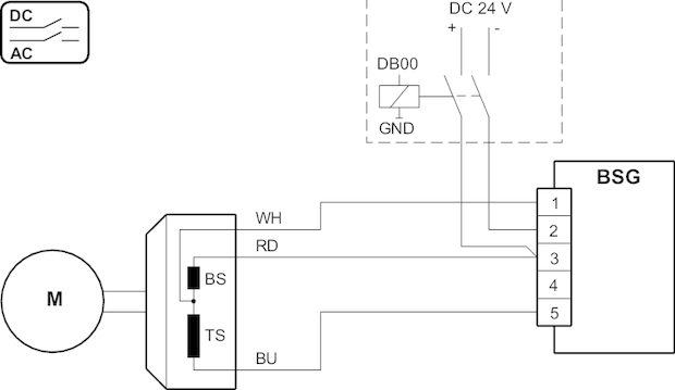
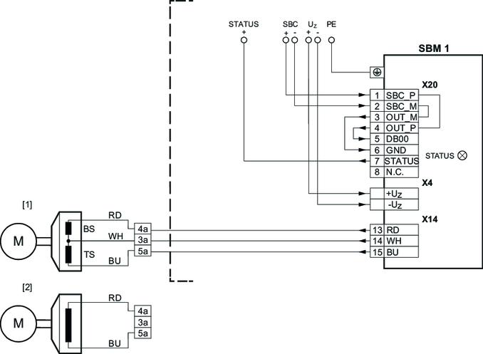
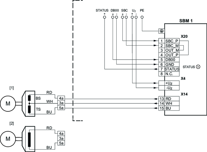
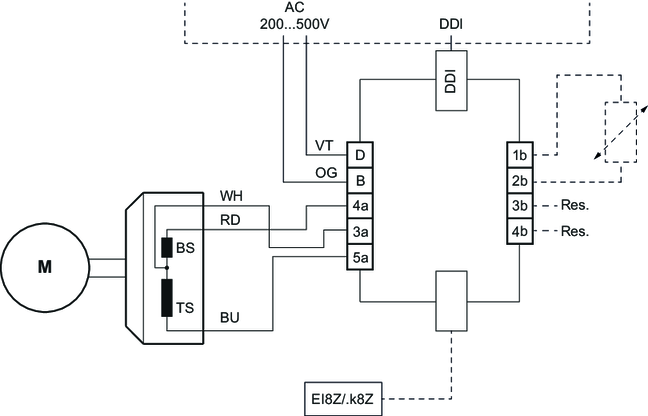
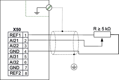
- Terminal assignment
- Electrical installation – functional safety
- Wiring diagrams
- PC connection





























































































