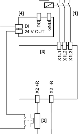
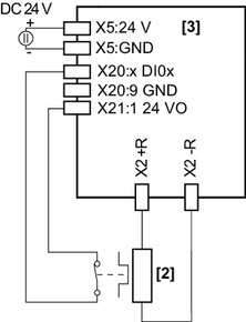
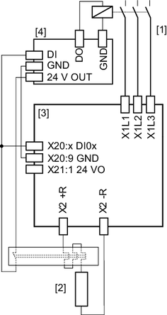
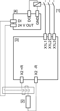
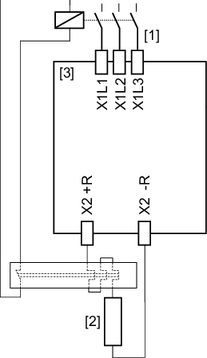
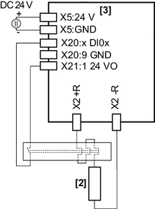
Protection de la résistance de freinage contre la surcharge thermique
REMARQUE

En cas de surcharge, l'impédance de la résistance de freinage CTP est trop forte.
REMARQUE

Les résistances plates intègrent une protection thermique (fusible à fusion non interchangeable) qui coupe le circuit en cas de surcharge. Respecter les prescriptions pour l'étude et configuration et les combinaisons documentées entre variateurs de vitesse et résistances de freinage.
Informations complémentaires







