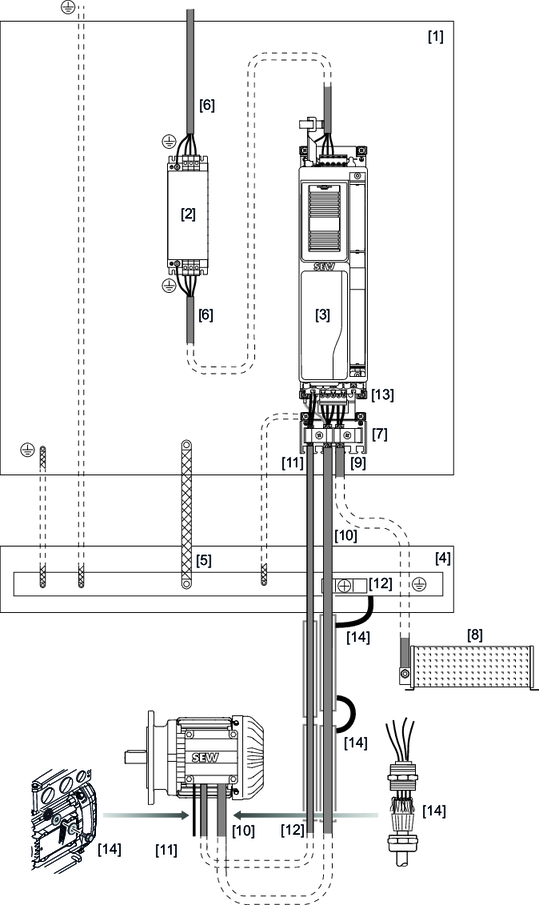
Installation électrique
Informations complémentaires
- Étude d'une installation sur la base de critères CEM
- Consignes d'installation
- Raccordement aux bornes de puissance
- Tension d'alimentation 24 V
- Fusibles réseau
- Sortie frein hacheur
- Sonde de température
- Sortie commande de frein
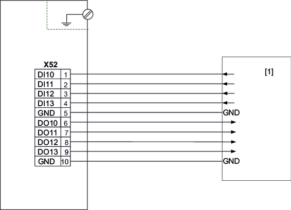
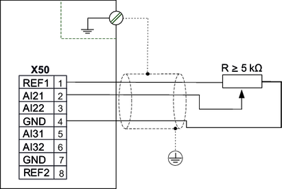
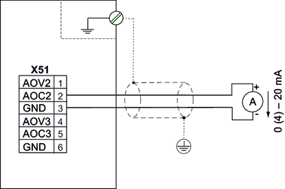
- Entrées et sorties
- Câblage du bus système et du bus modules
- Codeurs
- MOVILINK® DDI
- Cartes extension entrées/sorties CIO21A et CID21A
- Résistances de freinage BW..
- Selfs réseau ND..
- Filtres réseau NF..
- Affectation des bornes
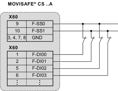
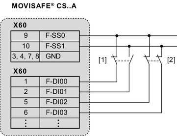
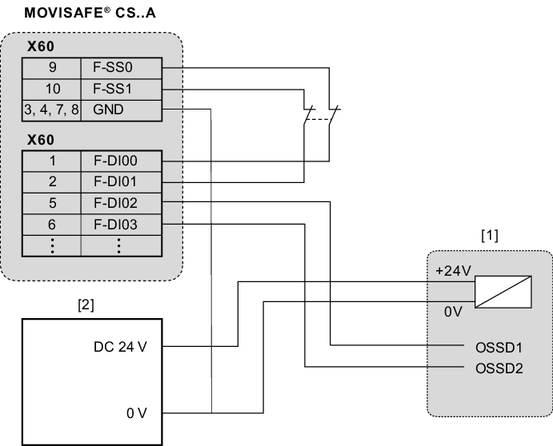
- Installation électrique – Sécurité fonctionnelle
- Schémas de raccordement
- Raccordement au PC






























































































