Technische Daten
Weiterführende Informationen
- Kennzeichnungen
- Allgemeine technische Daten
- Umweltbedingungen
- Technische Daten Grundgerät MDX9.A-.. 3 × AC 380 – 500 V
- Technische Daten Grundgerät MDX9.A-.. 3 × AC 200 – 240 V
- Elektronikdaten MDX9.A-..
- Ein-/Ausgabekarten CIO21A und CID21A
- Multigeberkarte CES11A
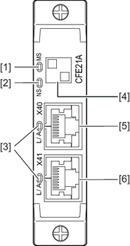
- Feldbuskarte CFE21A für EtherNet/IP™ und Modbus TCP
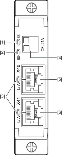
- Feldbuskarte CFL21A für POWERLINK
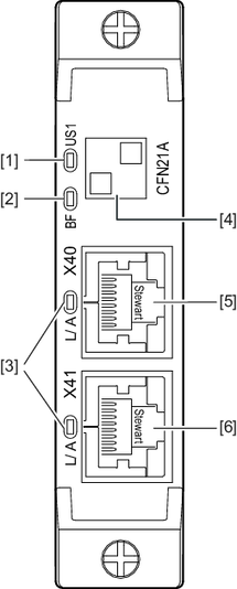
- Feldbuskarte CFN21A für PROFINET
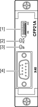
- Feldbuskarte CFP21A für PROFIBUS
- Sicherheitsoptionen CS..A
- Technische Daten – Funktionale Sicherheit
- Speichermodul CMM11A oder CMM21A
- Bediengerät CBG11A
- Bediengerät CBG21A
- Bediengerät CBG22A
- Türeinbaurahmen COG11A
- Schnittstellenumsetzer USM21A
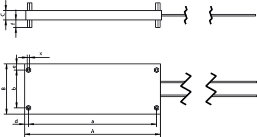
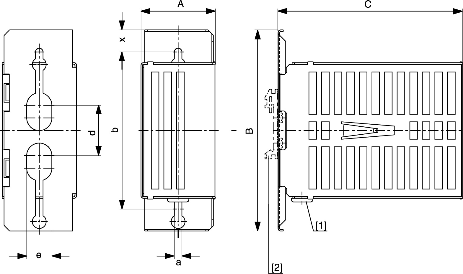
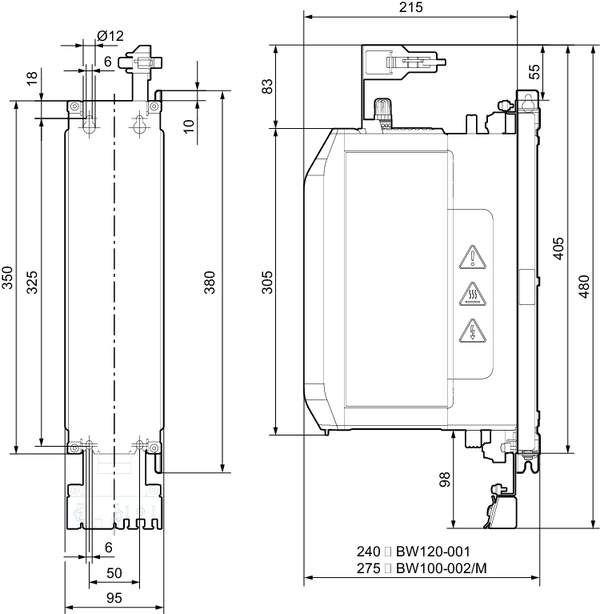
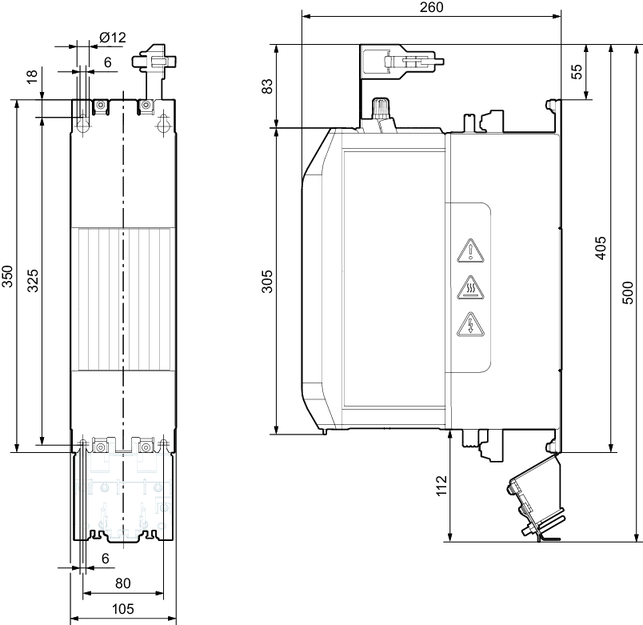
- Bremswiderstände BW.../BW...-T
- Netzfilter NF..
- Netzdrossel ND..
- Ausgangsfilter HF..
- Ausgangsdrossel HD..
- Zwischenkreisdrossel ZD..
- Serienzubehör
- Stecker
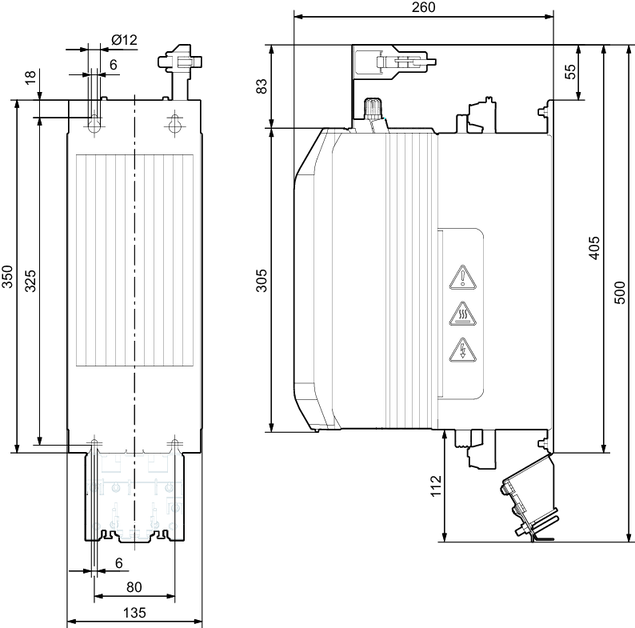
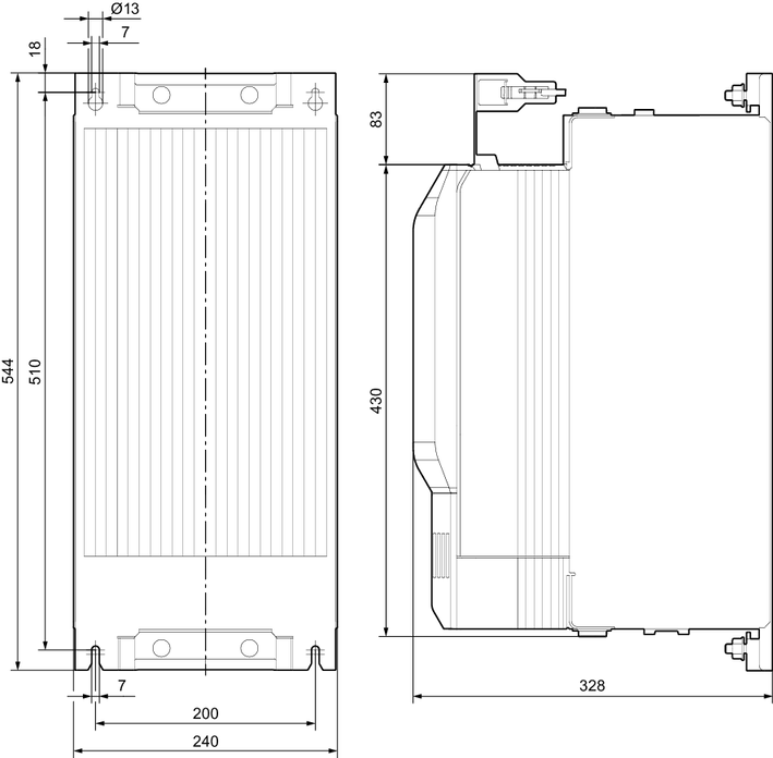
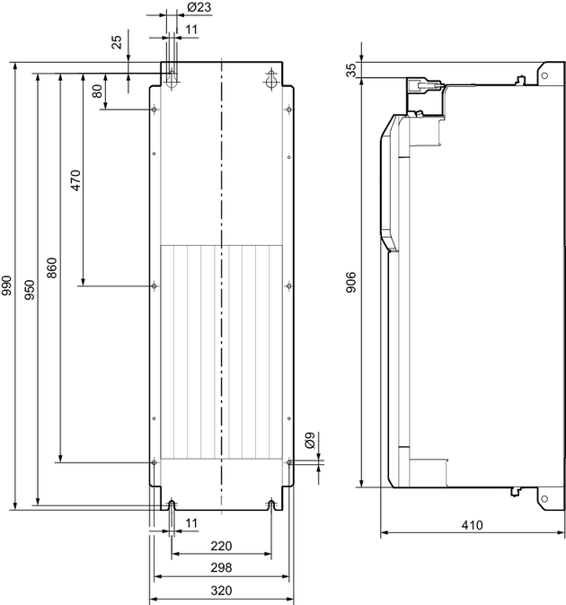
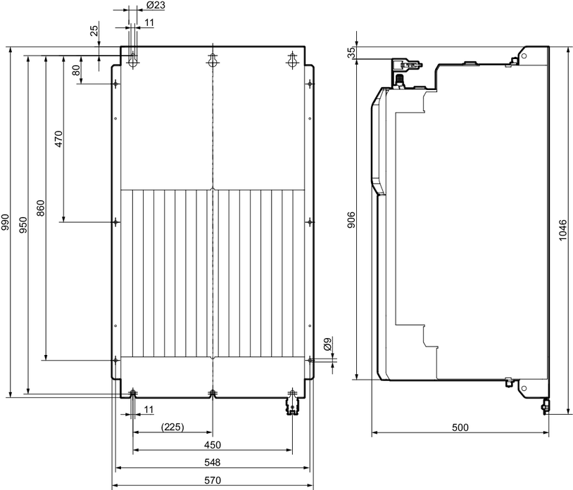
- Maßbilder























































































