Wie können wir helfen?

Wichtige Themen

Technische Daten

  • Technische Daten – Funktionale Sicherheit

Projektierung Funktionale Sicherheit

  • Sicherheitstechnische Auflagen

Geräteaufbau

  • Umrichter
  • Typenbezeichnung

Mechanische Installation

  • Umrichter der Baugröße 1 – 8 montieren
  • Schirmblech für Leistungsteil montieren
  • Schirmblech für Signalleitungen montieren
  • Bremswiderstände montieren

Elektrische Installation

  • Installationsplanung unter EMV-Gesichtspunkten
  • 24-V-Versorgungsspannung
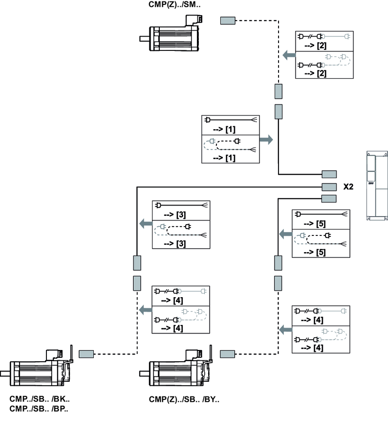
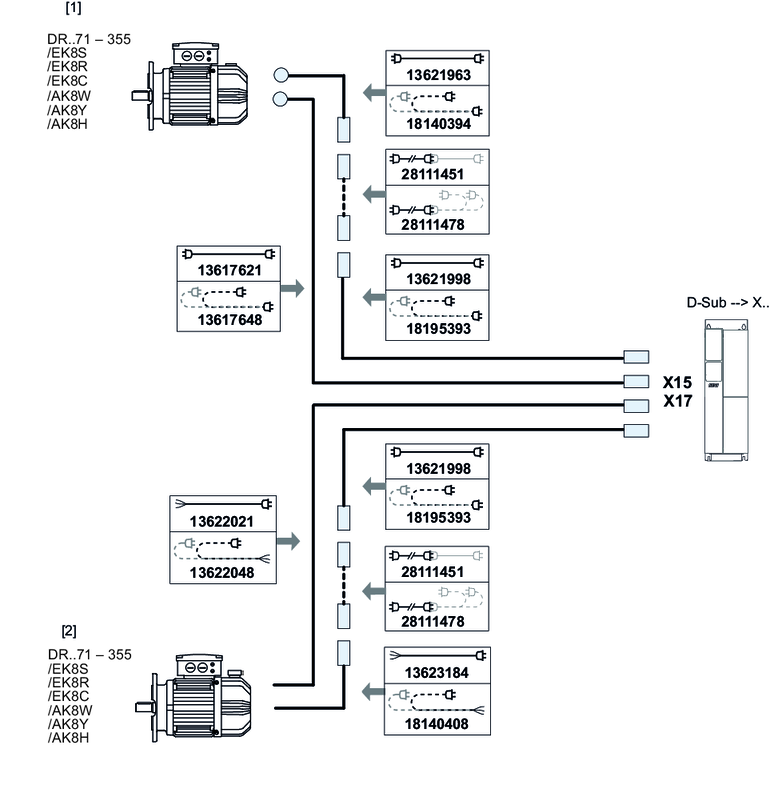
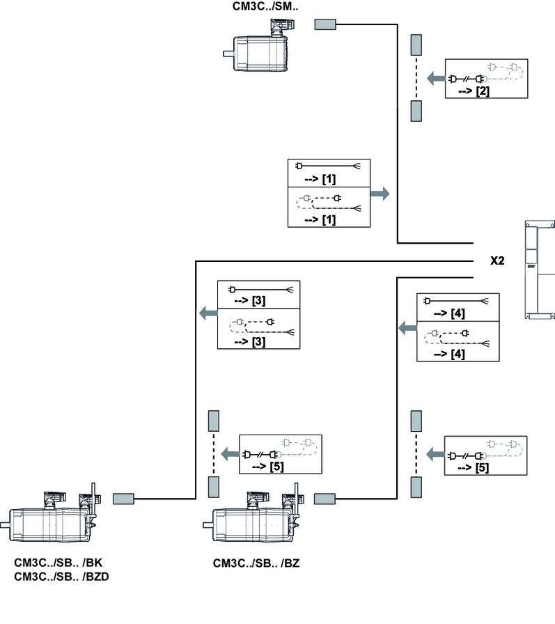
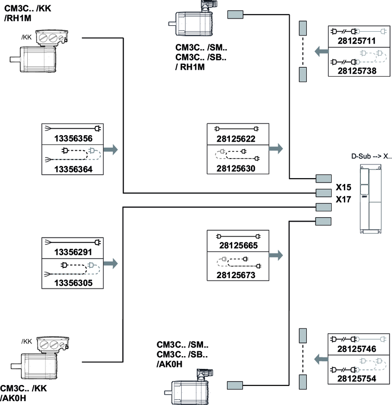
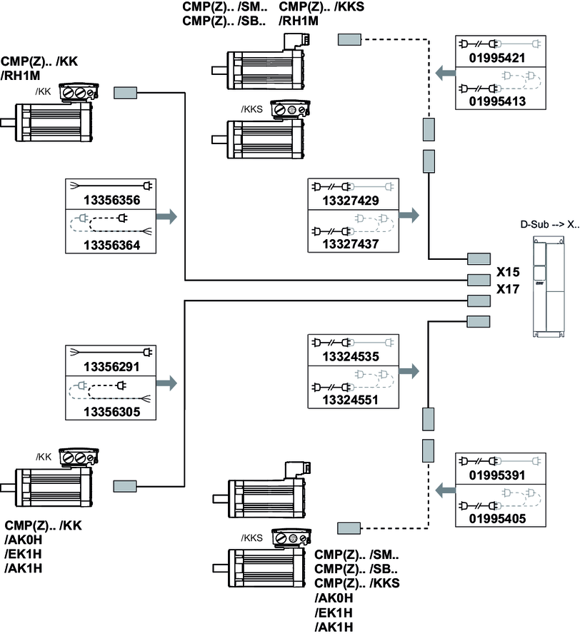
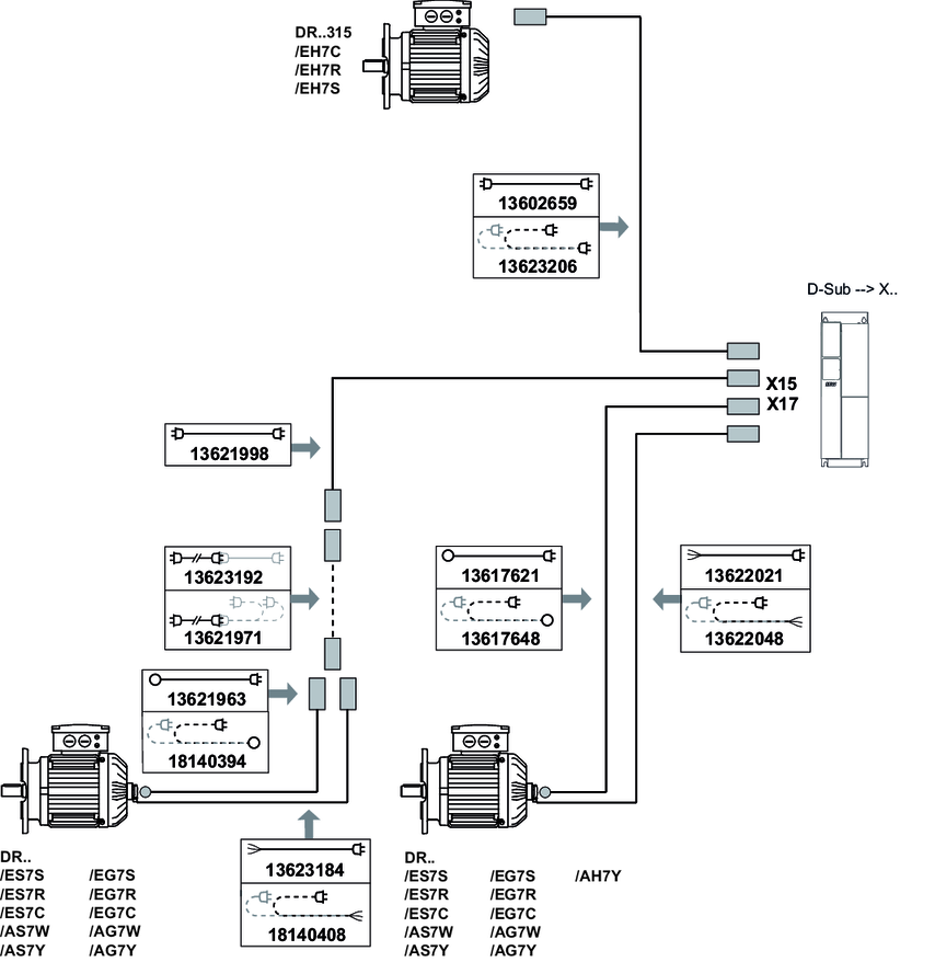
  • Geber
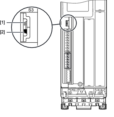
  • Klemmenbelegung
  • PC-Anschluss

Inbetriebnahme

  • Inbetriebnahme von Fremdmotoren
  • Inbetriebnahme von Motoren mit Schnittstelle MOVILINK® DDI
  • Inbetriebnahme der Sicherheitsoption MOVISAFE® CS..A
  • Inbetriebnahme der Sicherheitsoption am Sicherheitsprotokoll

Service

  • Fehlerbeschreibung Grundgerät
  • Gerätetausch
  • Gerätetausch

SEW-EURODRIVE GmbH & Co KG

Ausgabe: 03 / 24

© Copyright: 2024

Stichwortverzeichnis

MOVIDRIVE® technology

Sprache

  • Deutsch
SEW-EURODRIVE LogoSEW-EURODRIVE
  • Home