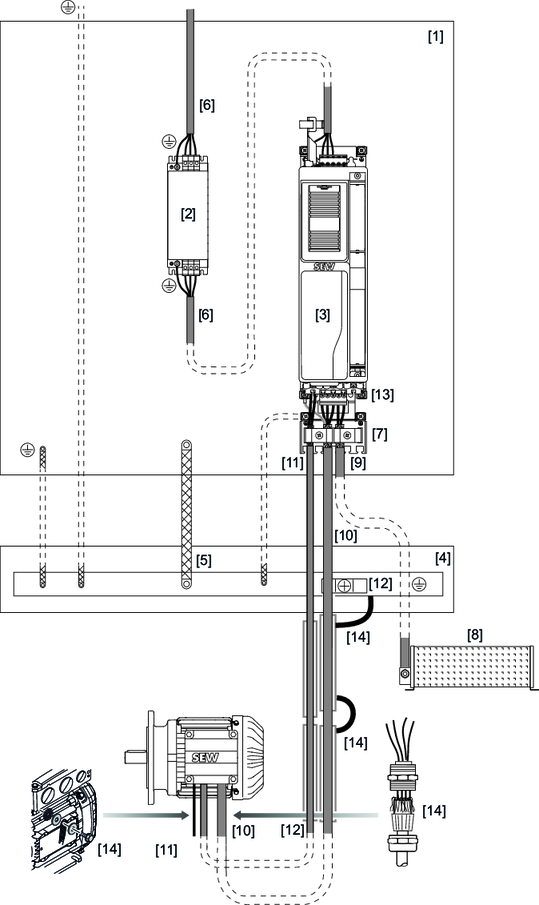
Elektrische Installation
Weiterführende Informationen
- Installationsplanung unter EMV-Gesichtspunkten
- Installationsvorschriften
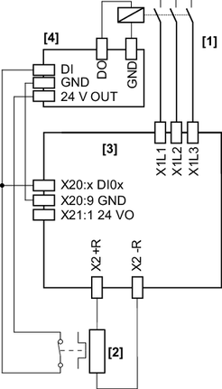
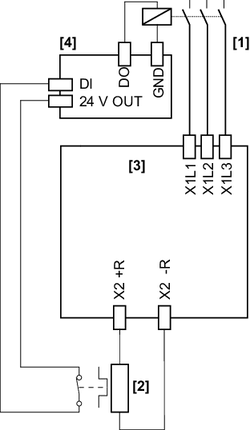
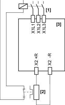
- Anschluss an den Leistungsklemmen
- 24-V-Versorgungsspannung
- Netzsicherungen
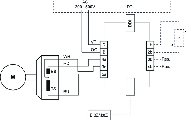
- Brems-Chopper-Ausgang
- Temperaturfühler
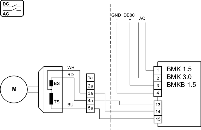
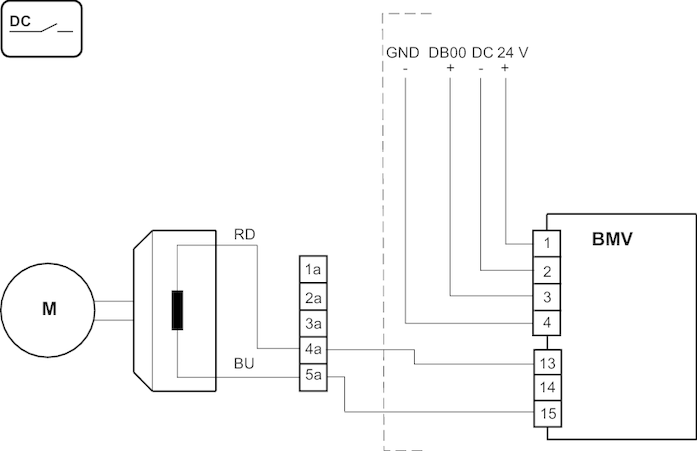
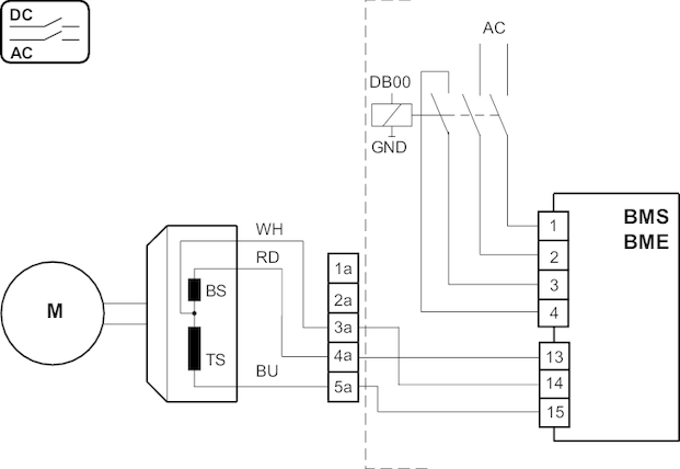
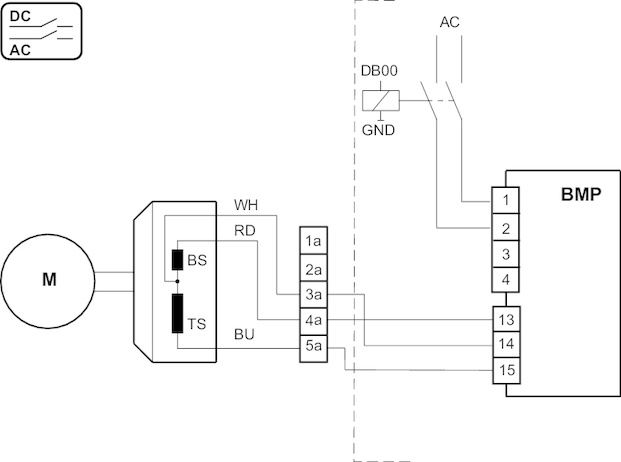
- Ausgang Bremsenansteuerung
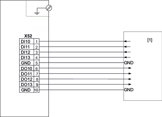
- Ein-/Ausgänge
- Systembus- und Modulbusverkabelung
- Geber
- MOVILINK® DDI
- Feldbuskabel und Kabelführung
- Ein-/Ausgabekarte CIO21A und CID21A
- Bremswiderstände BW..
- Netzdrossel ND..
- Netzfilter NF..
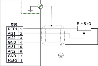
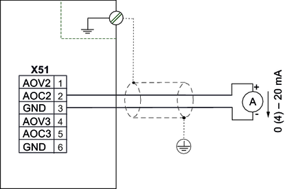
- Klemmenbelegung
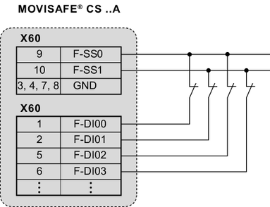
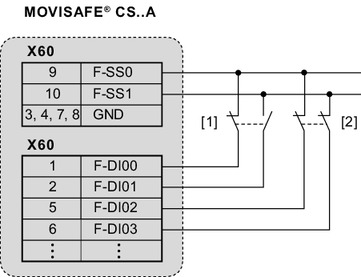
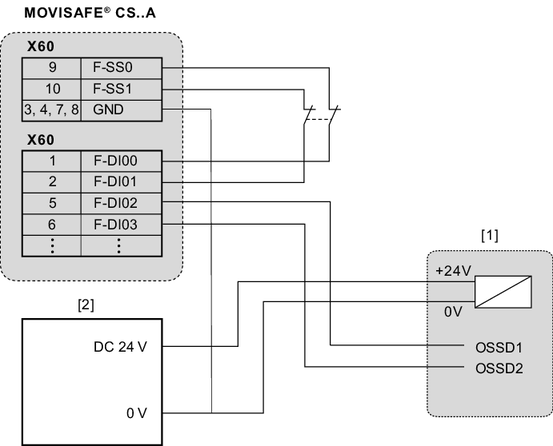
- Elektrische Installation – Funktionale Sicherheit
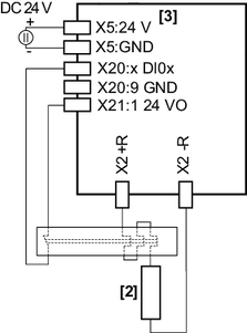
- Anschlussbilder
- PC-Anschluss




































































































