How can we help?
Important topics
Functional description
Operating modes
Configuration
Control functions
Application examples
Referencing an axis group
Error management
Error codes
New help content
Behavior of the software limit switches
Find out more...
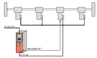
Monitoring of encoder couplings
Find out more...
Optimization monitor
Find out more...
MOVIKIT® MultiAxisController
Language
Deutsch
English
SEW-EURODRIVE
Home