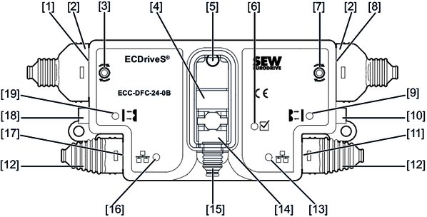
Feldbussteuerung ECC-DFC-24-0B

[1] | Motoranschluss, links |
[2] | Schutztülle Motoranschluss |
[3] | Motor-LED, linker Antrieb |
[4] | DC-24-V-Versorgungsklemme |
[5] | Power-LED |
[6] | Status-LED |
[7] | Motor-LED, rechter Antrieb |
[8] | Motoranschluss, rechts |
[9] | Sensor-LED, rechter Sensor |
[10] | Sensor Anschluss rechts |
[11] | Ethernet-Port rechts |
[12] | Schutztülle Ethernet Port |
[13] | LED-Status Ethernet Port rechts |
[14] | Abdeckung Versorgungsklemme |
[15] | Schutztülle Versorgungsklemme |
[16] | LED-Status Ethernet Port links |
[17] | Ethernet Port links |
[18] | Sensoranschluss links |
[19] | Sensor-LED, linker Sensor |