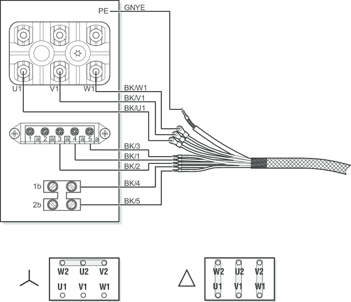
Belegung der Steckverbinder

Weiterführende Informationen
  • Allgemeine Anschlüsse
  • Sicherheitstechnik und externer Geber
  • Ein- und Ausgänge
  • Kommunikation

SEW-EURODRIVE GmbH & Co KG

Ausgabe: 01 / 24

© Copyright: 2024

Stichwortverzeichnis

MOVIPRO® technology DSI

Sprache

  • Deutsch
SEW-EURODRIVE LogoSEW-EURODRIVE
  • Home
  • Elektrische Installation
  • Belegung der Steckverbinder