Wie können wir helfen?

Wichtige Themen

Produktbeschreibung

  • Highlights von MOVIPRO® technology
  • MOVIPRO® technology

Technische Daten

  • Umweltbedingungen
  • Technische Daten
  • Technische Daten – Funktionale Sicherheit
  • Strombelastbarkeit der Klemmen der Anschaltbox
  • Anschaltbox
  • Externe Bremswiderstände

Projektierung Gerät

  • Antriebsauslegung und Antriebsbestimmungen
  • Auswahl eines Umrichters

Projektierung Funktionale Sicherheit

  • Sicherheitstechnische Auflagen

Geräteaufbau

  • MOVIPRO® technology Baugrößen 2 und 2E
  • MOVIPRO® technology Baugrößen 3 und 3E
  • Typenbezeichnung
  • Typenbezeichnungen Funktionsbaugruppen
  • Kennzeichnungen

Mechanische Installation

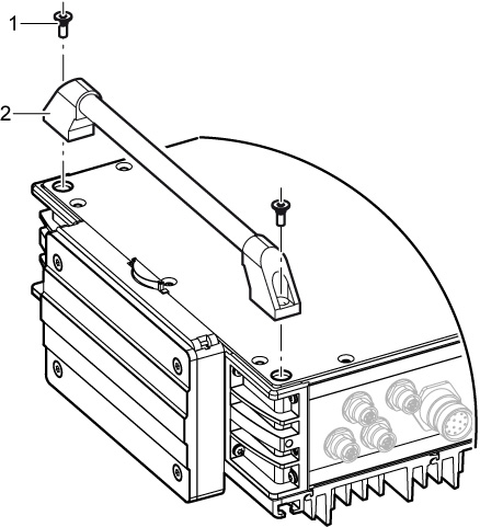
  • Gerät montieren
  • Anschaltbox montieren
  • Externe Bremswiderstände montieren

Elektrische Installation

  • Installationsplanung unter EMV-Gesichtspunkten
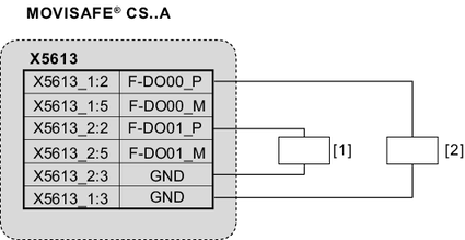
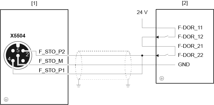
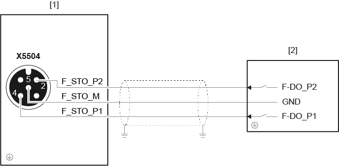
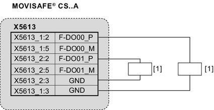
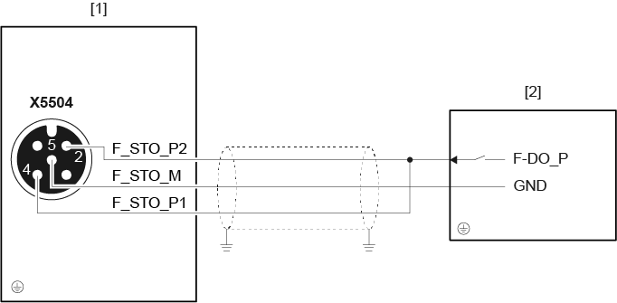
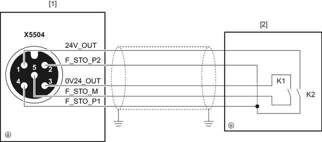
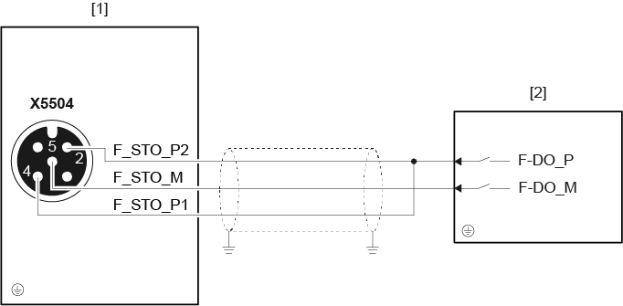
  • Klemmenbelegung
  • Steckverbinderpositionen
  • PC-Anschluss

Inbetriebnahme

  • Inbetriebnahme von Fremdmotoren
  • Inbetriebnahme mit Engineering-Software MOVISUITE®
  • Inbetriebnahme der Sicherheitsoption am Sicherheitsprotokoll

Service

  • Status- und Betriebsanzeigen
  • Status- und Betriebsanzeigen der 7-Segment-Anzeige
  • Fehlerbeschreibung Grundgerät
  • Fehlerbeschreibung Leistungsteil
  • Fehlerbeschreibung Feldbusoption
  • Fehlerbeschreibung Sicherheitsoption CS..A
  • Gerätetausch

SEW-EURODRIVE GmbH & Co KG

Ausgabe: 01 / 24

© Copyright: 2024

Stichwortverzeichnis

MOVIPRO® technology DFC

Sprache

  • Deutsch
SEW-EURODRIVE LogoSEW-EURODRIVE
  • Home