Allgemeine Anschlüsse
Weiterführende Informationen
- X1213: AC-400-V-Eingang/DC-24-V-Versorgung für Anschaltbox
- X1214: AC-400-V-Eingang/DC-24-V-Versorgung
- X2104: Umrichterausgang für Anschluss von Motoren mit MOVILINK® DDI
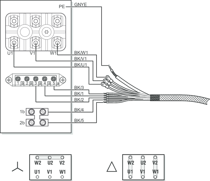
- X2700: Umrichterausgang für Anschluss von Motoren mit MOVILINK® DDI, Bremse und Bremsenansteuerung
- X2041, X2041_1, X2041_2: Umrichterausgang für Anschluss von Motoren ohne MOVILINK® DDI
- X2107: Umrichterausgang für Anschluss von Motoren mit MOVILINK® DDI
- X2710: Umrichterausgang für Anschluss von Motoren mit integrierter Bremsenansteuerung BG1Z und MOVILINK® DDI
- X2016, X2016_1, X2016_2: Umrichterausgaung für Anschluss von Motoren ohne MOVILINK® DDI
- X3011: Anschluss Motorgeber
- X2301: Bremswiderstand
- X2303: Bremswiderstand
- X5111: Lüfterbaugruppe
- X4142: Engineering-Schnittstelle






















