¿Cómo podemos ayudarle?
Temas importantes
Nuevas funciones

Módulos de memoria disponibles
Más información...
Nuevos contenidos de ayuda

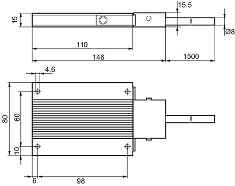
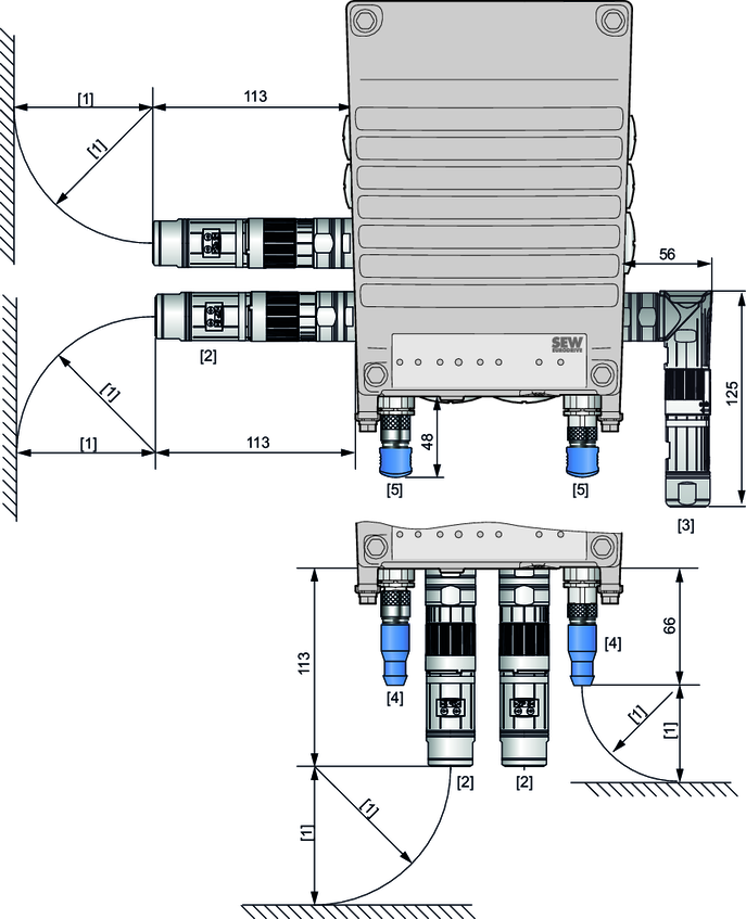
Entrada (clase de velocidad 1000 min-1)
Más información...
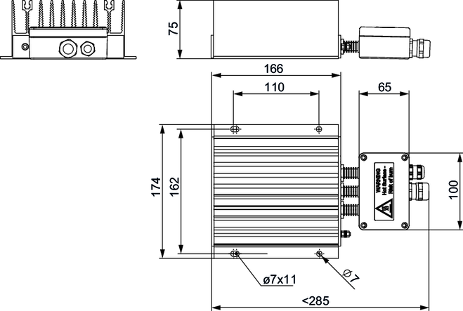
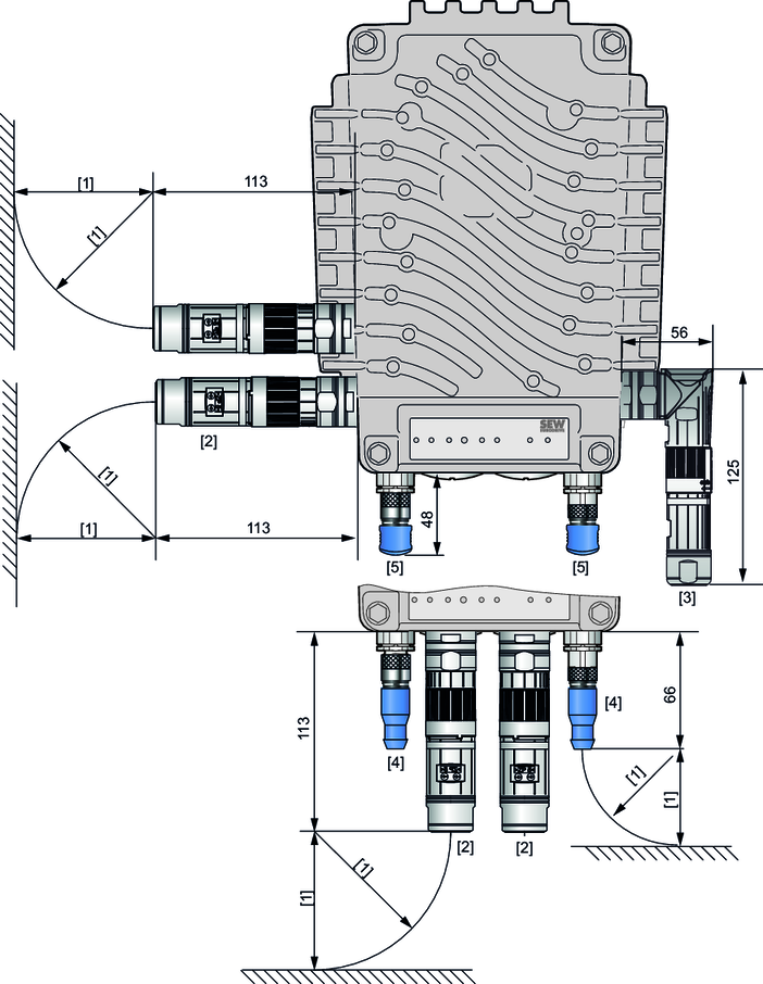
Motor, tapa de la electrónica tamaño 1 (clase de velocidad 1000 min-1)
Más información...






































































































































































































































































































































