Instalação elétrica
Informações adicionais
- Planejamento da instalação sob o aspecto da EMC
- Compensação de potencial na caixa de ligação
- Normas de instalação
- Topologias de instalação
- Programação dos bornes do MOVIMOT® performance DAC
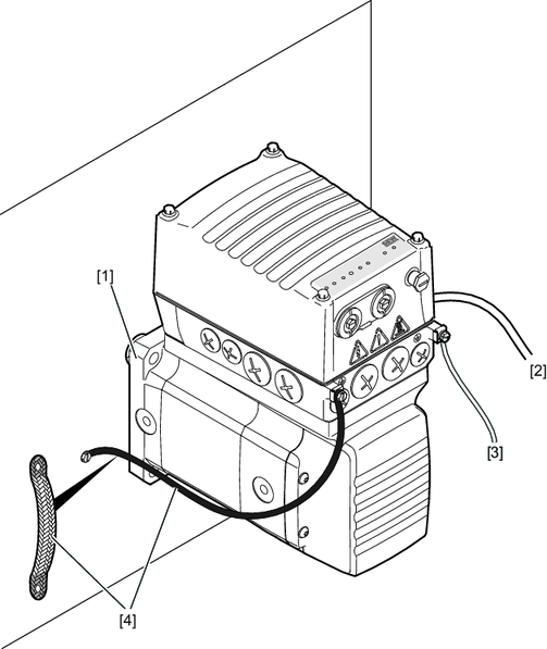
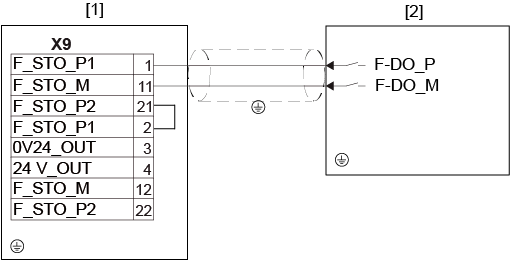
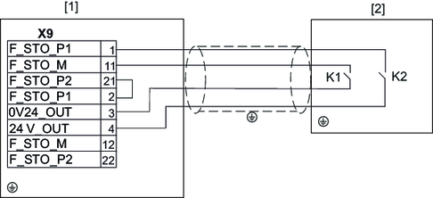
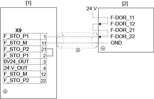
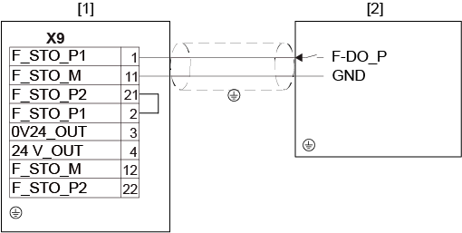
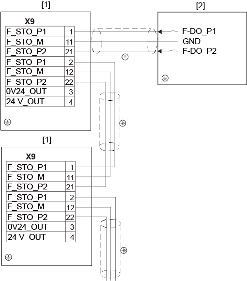
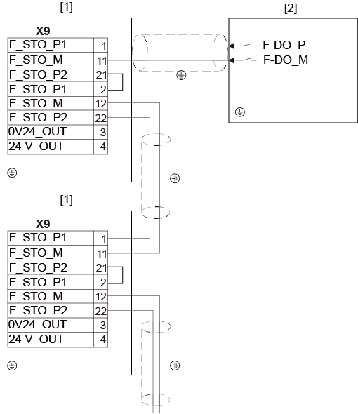
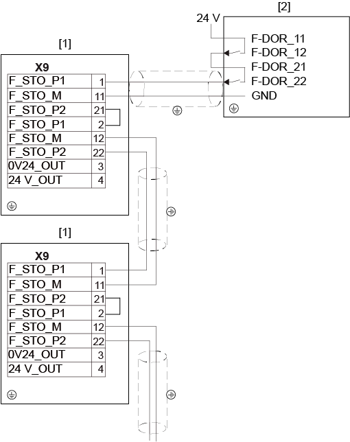
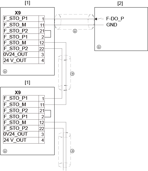
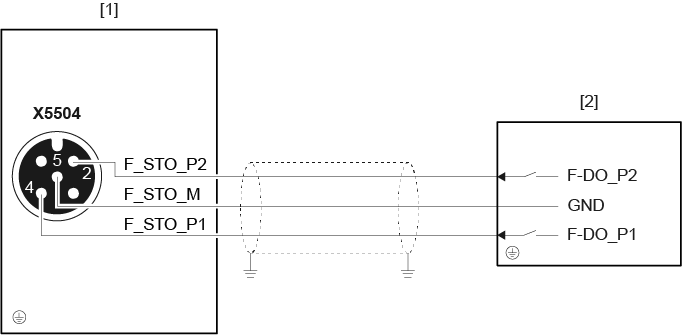
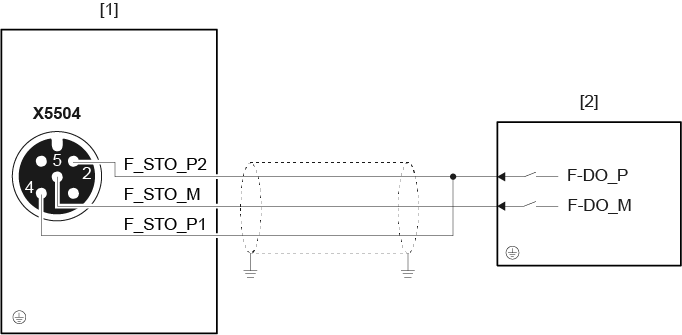
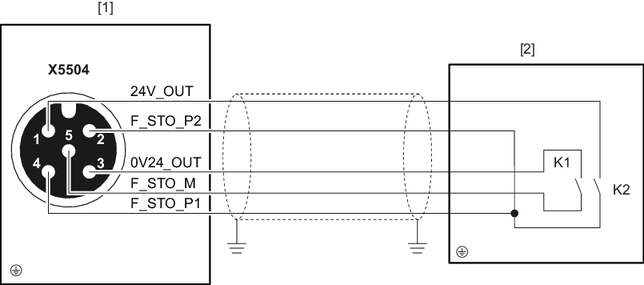
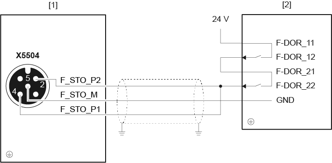
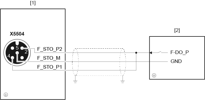
- Instalação elétrica – Funcionamento seguro
- Esquema de conexão do MOVIMOT® performance DAC
- Instalação de cabos e blindagem de cabos
- Prensa cabos EMC
- Conector
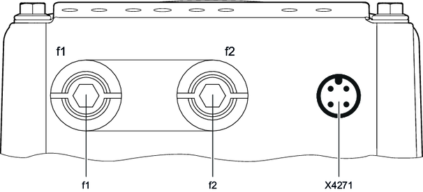
- Atribuição dos conectores opcionais
- Atribuição dos conectores na tampa de controle
- Conexão a um PC










































































