Como podemos ajudar?
Temas importantes
Planejamento de projeto de funcionamento seguro
Estrutura da unidade
Instalação elétrica
- Planejamento da instalação sob o aspecto da EMC
- Compensação de potencial
- Programação dos bornes do MOVIMOT® performance DAC
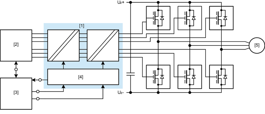
- Esquema de conexão do MOVIMOT® performance DAC
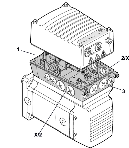
- Posições dos conectores da unidade de acionamento MOVIMOT® performance DAC do tamanho 1
- Posições dos conectores da tampa de controle DAC..
- Conexão a um PC



































































































































































































































































































































