¿Cómo podemos ayudarle?
Temas importantes
Nuevas funciones

Motor, tapa de la electrónica (clase de velocidad 2000 minˉ¹), tamaño 2
Más información...
Motor, tapa de la electrónica (clase de velocidad 3000 minˉ¹), tamaño 2
Más información...
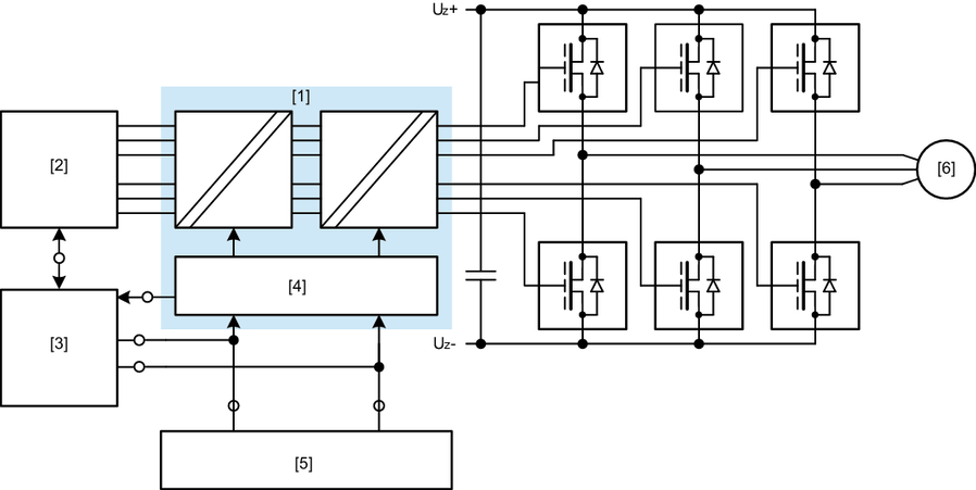
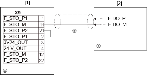
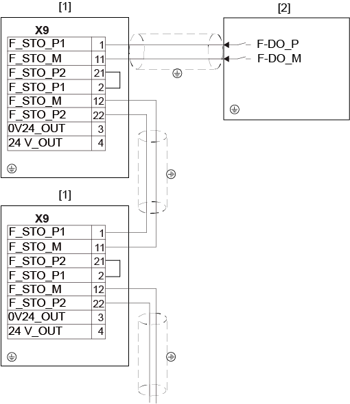
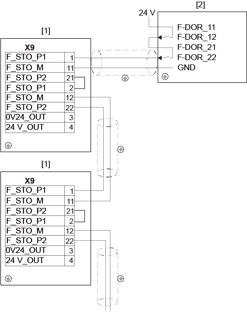
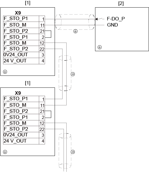
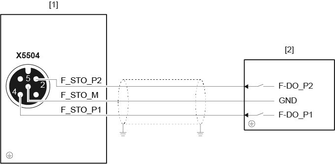
Parámetros de seguridad MOVISAFE® CSS51A
Más información...





















































































































































































































































































































































































































