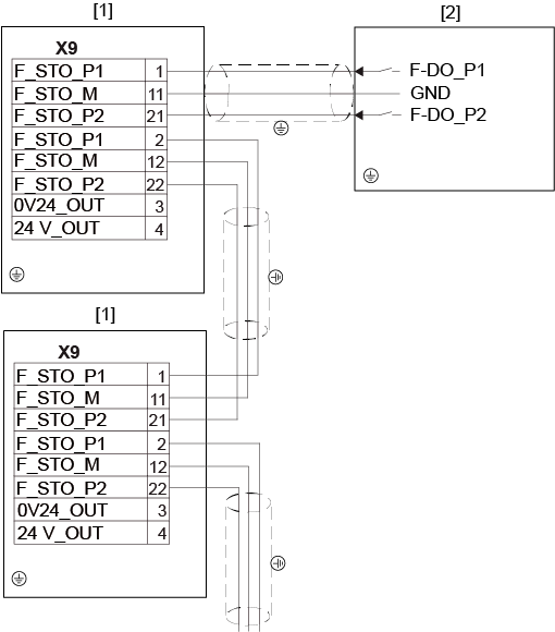
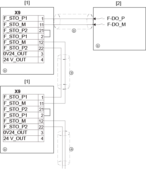
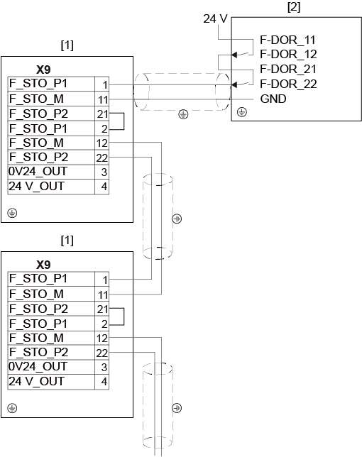
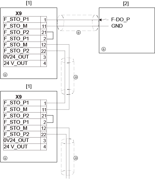
Comment pouvons-nous vous aider ?
Thèmes principaux
Nouvelles fonctions

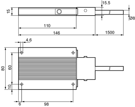
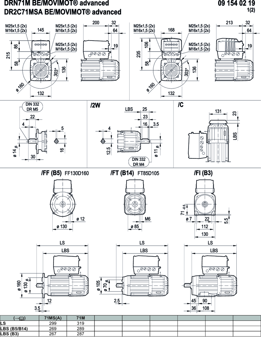
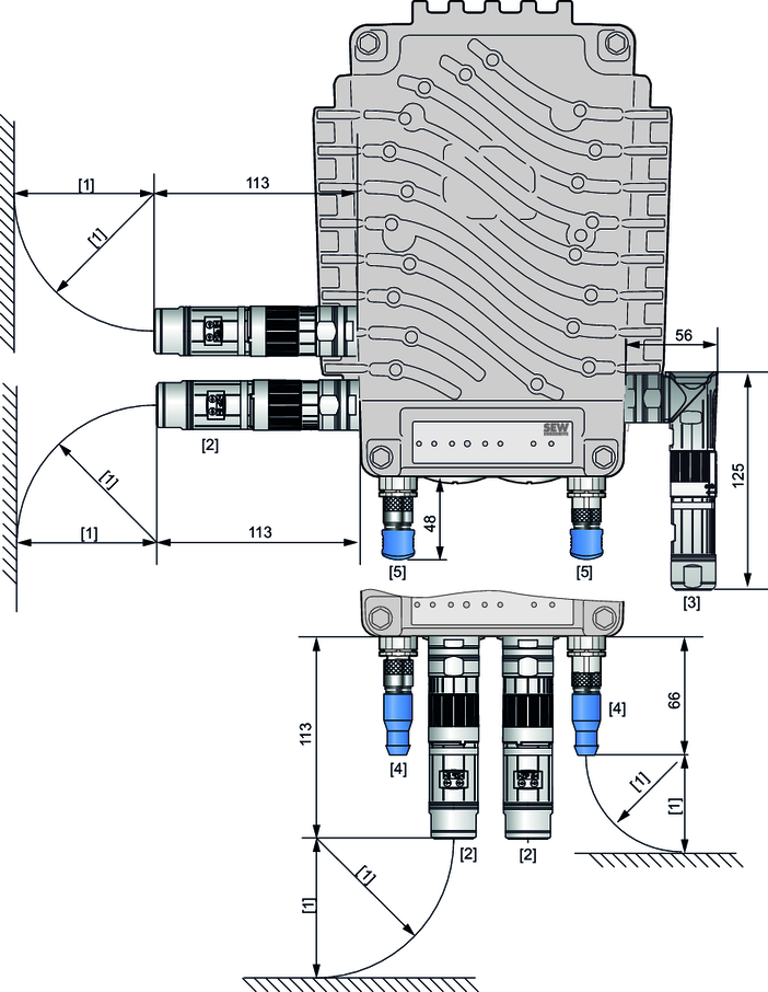
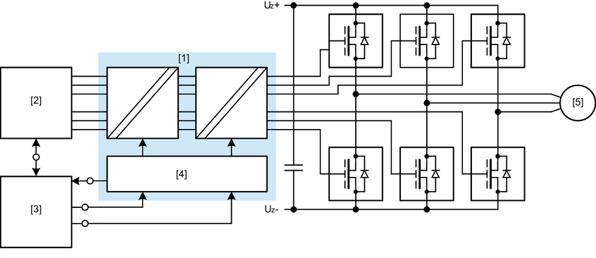
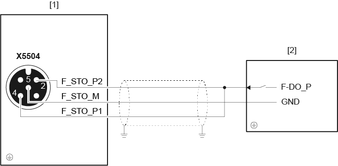
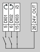
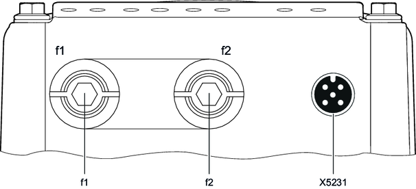
Moteur, couvercle électronique (classe de vitesse 2000 minˉ¹), taille 2
En savoir plus ...
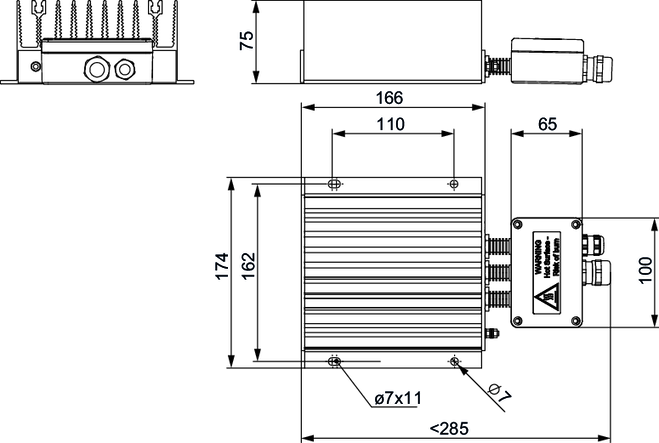
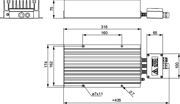
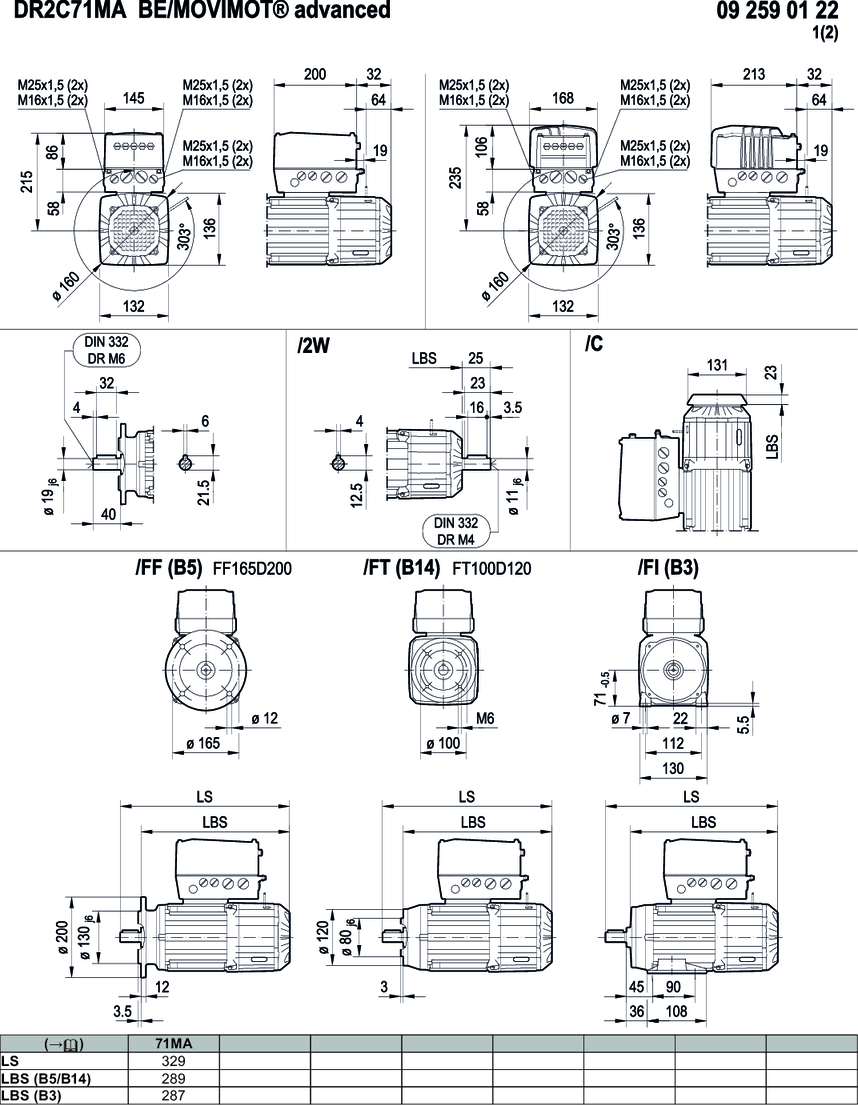
Moteur, couvercle électronique (classe de vitesse 3000 minˉ¹), taille 2
En savoir plus ...




























































































































































































































































































































































