Como podemos ajudar?
Temas importantes
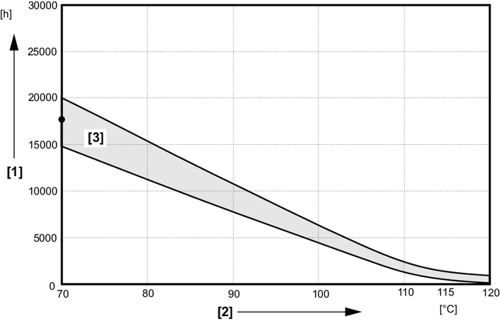
Planejamento de projeto de funcionamento seguro
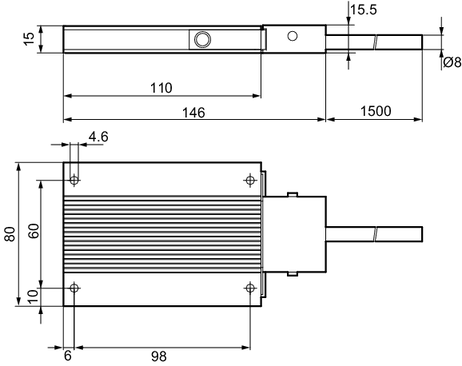
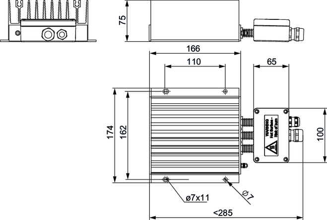
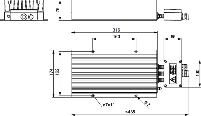
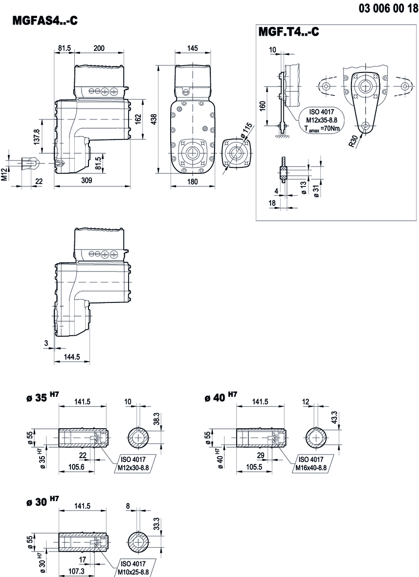
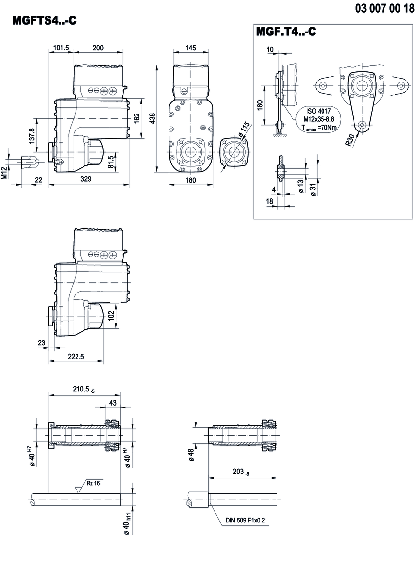
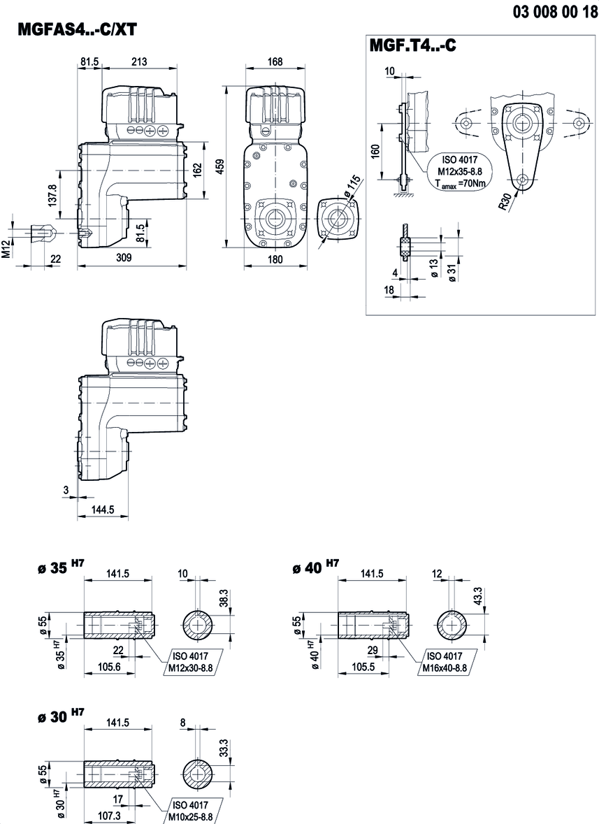
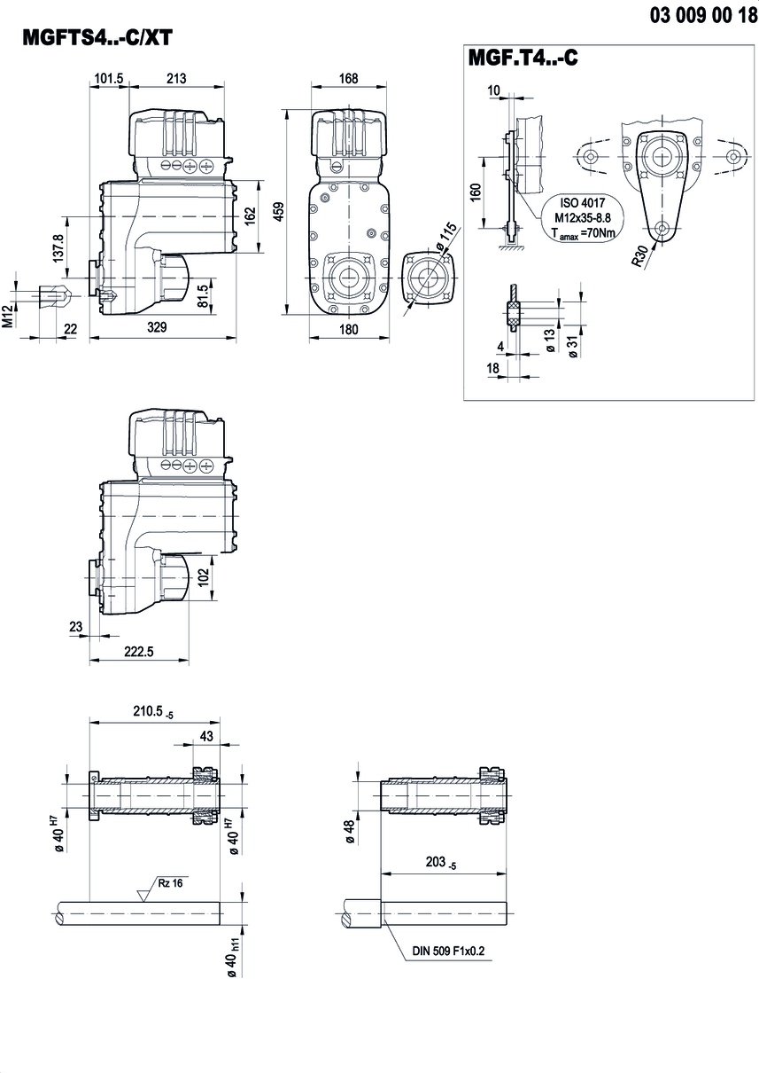
Estrutura da unidade
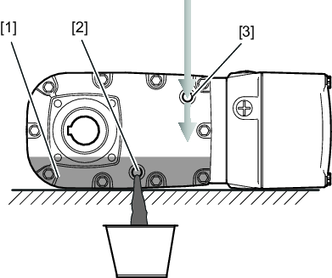
Instalação mecânica
- Alívio de pressão interna do redutor
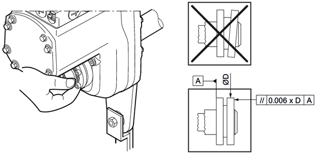
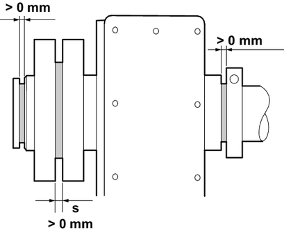
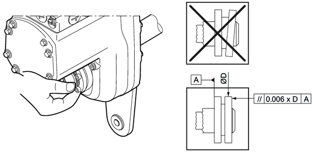
- Versão do redutor com eixo com rasgo de chaveta
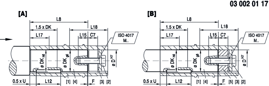
- Versão do redutor com eixo com TorqLOC® (eixo do cliente sem ressalto)
- Versão do redutor com eixo com TorqLOC® (eixo do cliente com ressalto)
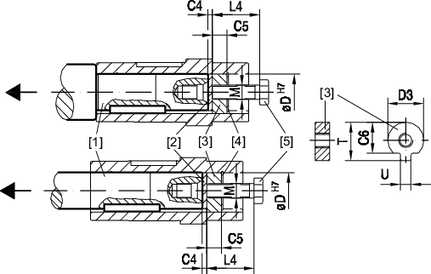
- Versão do redutor com eixo com TorqLOC® – Desmontagem, limpeza e lubrificação
- Montagem da tampa protetora
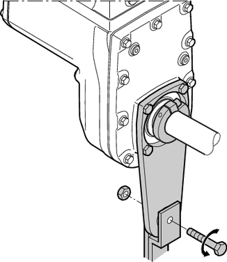
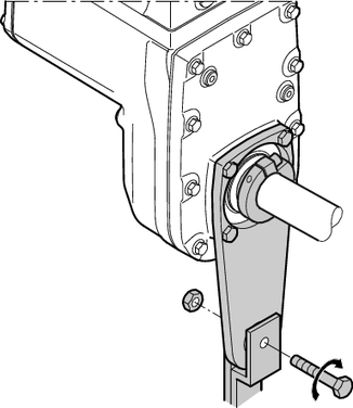
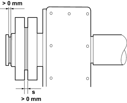
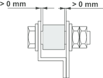
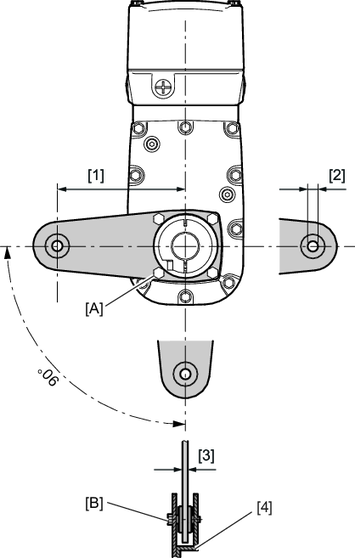
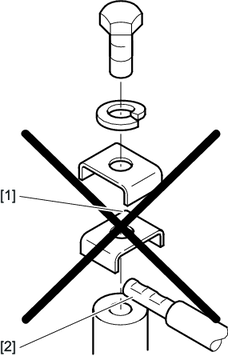
- Braço de torção
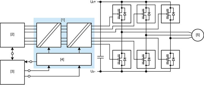
Instalação elétrica
- Planejamento da instalação sob o aspecto da EMC
- Compensação de potencial
- Programação dos bornes do MOVIGEAR® performance DBC
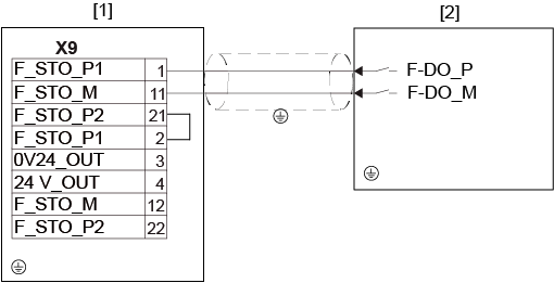
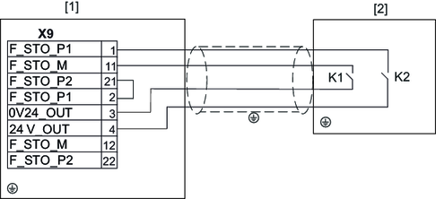
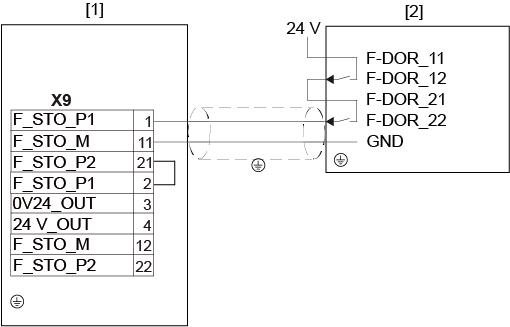
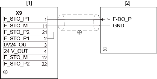
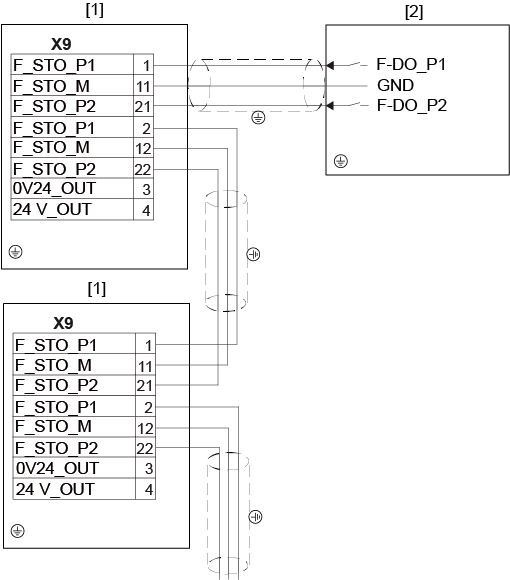
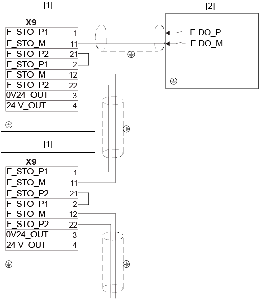
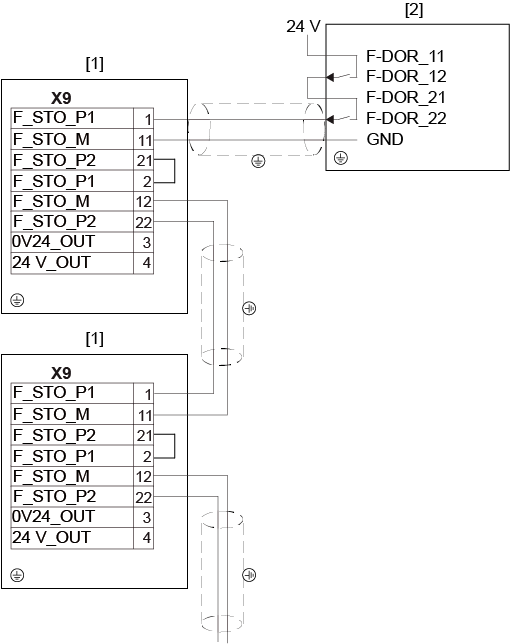
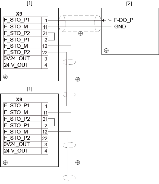
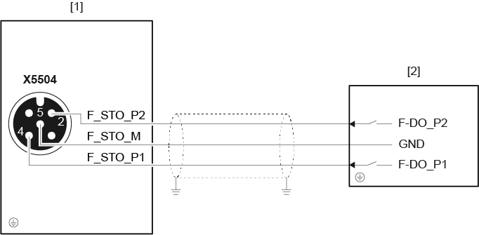
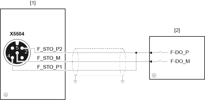
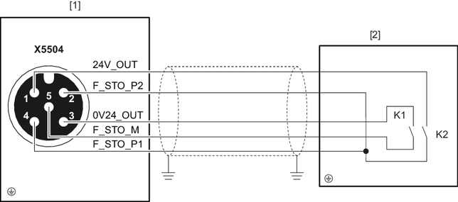
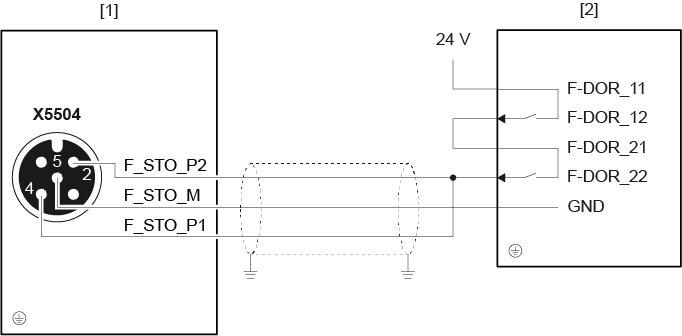
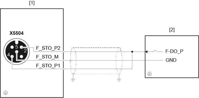
- Esquema de conexão do MOVIGEAR® performance DBC
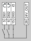
- Posições dos conectores da unidade de acionamento MOVIGEAR® performance DBC
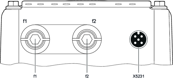
- Posições dos conectores da tampa de controle DBC..
- Conexão a um PC












































































































































































































































































































































































