熔断保险丝类型
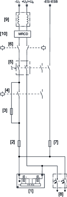
储能系统包括一个熔断保险丝和两个接触器,用于进行蓄能器和直流侧的同步。需要使用SEW-EURODRIVE的MOVI-C® CONTROLLER和MOVIKIT® PowerMode/EnergyMode软件模块许可证来控制这些组件。使用软件模块MOVIKIT®是系统能够安全运行的前提条件。完整的熔断保险丝方案如下图所示:

[1] | 储能模块 | [6] | 同步接触器 |
[2] | 主熔断保险丝 | [7] | 测量通道保险装置 |
[3] | 副熔断保险丝 | [8] | 放电保险装置 |
[4] | 旁路接触器 | [9] | 扼流圈 |
[5] | 断路开关 | [10] | 故障电流识别 |
在正常工作范围内(如400 V ~ 800 V),单独触发主熔断保险丝。副熔断保险丝通过旁路接触器短路。SEW-EURODRIVE对熔断保险丝的规格和功能电压范围进行了精确匹配,以便在发生短路时,短路电流足以触发主熔断保险丝。当电压低于功能电压范围时,旁路接触器打开,较小的副熔断保险丝被触发。这意味着储能系统的充/放电位置也能得到充分保护。这种保护方式可确保在出现短路时在整个电压范围内能够可靠跳闸。热过载的情况不受这些熔断保险丝的保护。所选的电缆截面、设备的功率限制和整个系统的设计都确保这种保护能够实现。
SEW-EURODRIVE将熔断保险丝方案定义为项目设计的一部分。只能使用由SEW-EURODRIVE进行了项目设计的熔断保险丝。
提示
