Wie können wir helfen?

Wichtige Themen

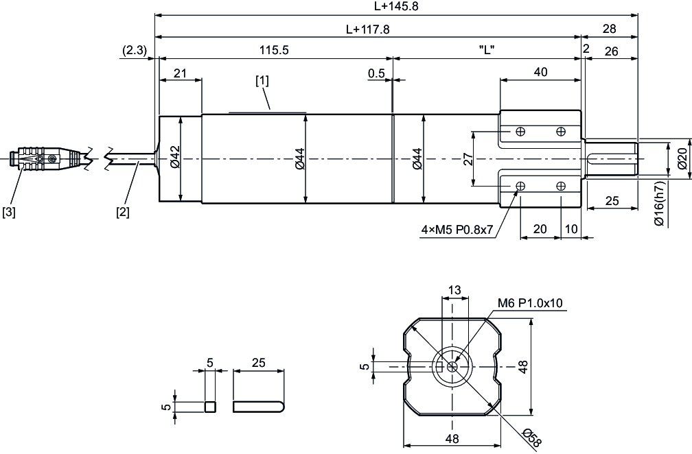
Geräteaufbau

  • Überblick über die Rollenantriebe
  • Überblick über die Hardware der Steuerungen
  • Typenschild und Typenbezeichnung

Mechanische Installation

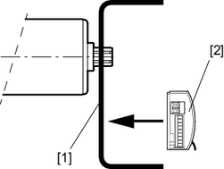
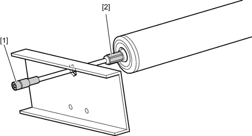
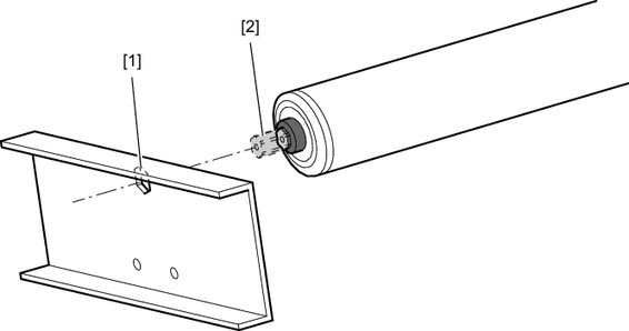
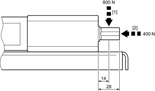
  • Montage Rollenantrieb ECR
  • Montage Getriebemotor ECG
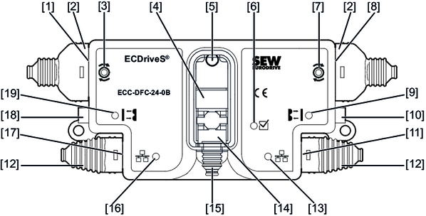
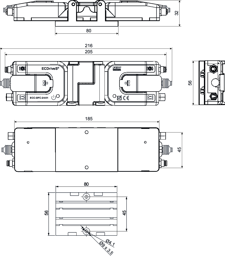
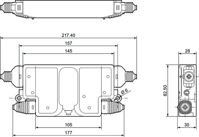
  • Montage Feldbussteuerung ECC-DFC
  • Montage der Binärsteuerung ECC-DBC

Elektrische Installation

  • Installationsvorschriften
  • Anschluss der 24-V-Stützspannung
  • Anschlussübersicht
  • Anschluss der Versorgungsleitung

Inbetriebnahme

  • Inbetriebnahme ECC-DFC
  • Inbetriebnahme ECC-DBC-24-00
  • Inbetriebnahme ECR-IA2M

Service

  • Fehlerliste
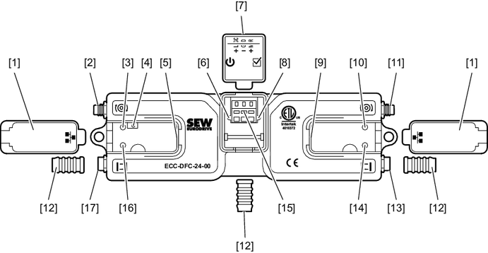
  • Beschreibung der Status- und Betriebsanzeigen ECC-DFC
  • Beschreibung der Status- und Betriebsanzeigen ECC-DBC
  • Austausch einer Feldbussteuerung
  • Lagerung

SEW-EURODRIVE GmbH & Co KG

Ausgabe: 10/2025

© Copyright: 2025

Stichwortverzeichnis

Rollenantrieb ECR, Getriebemotor ECG, Feldbussteuerung ECC

Sprache

  • Deutsch
  • English
  • Us-English
  • Français
  • Italiano
  • Brasileiro
  • Español
SEW-EURODRIVE LogoSEW-EURODRIVE
  • Home