Wie können wir helfen?
Wichtige Themen
Projektierung Funktionale Sicherheit
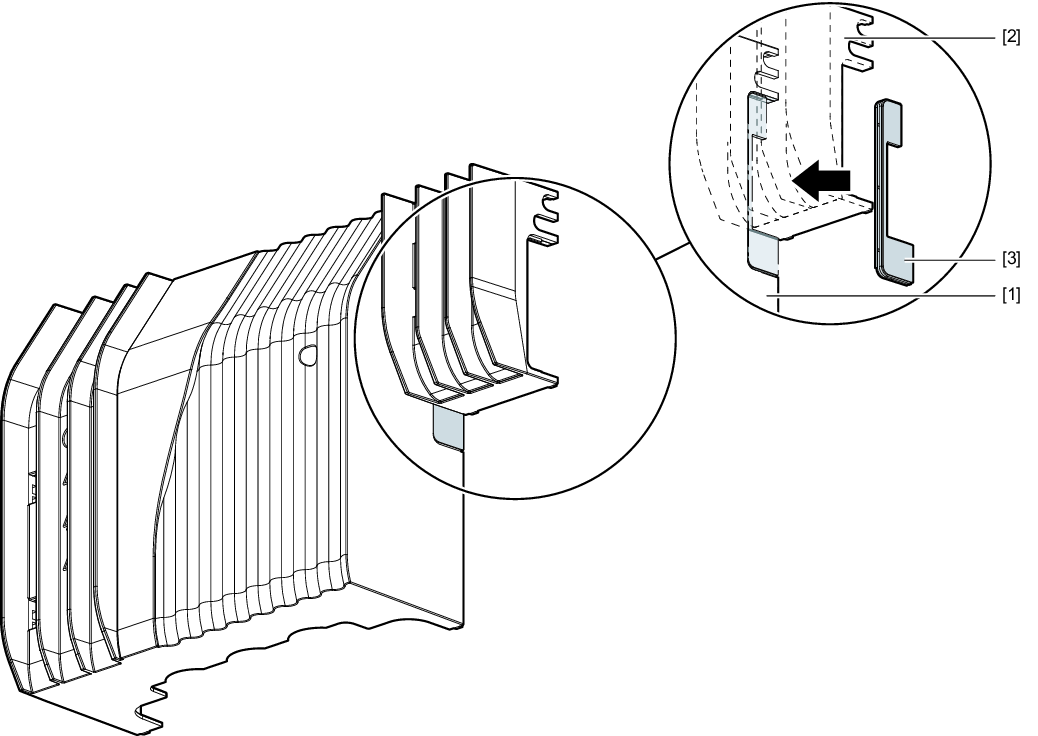
Mechanische Installation
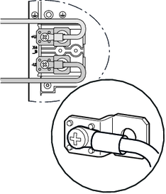
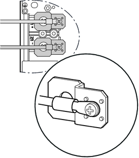
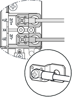
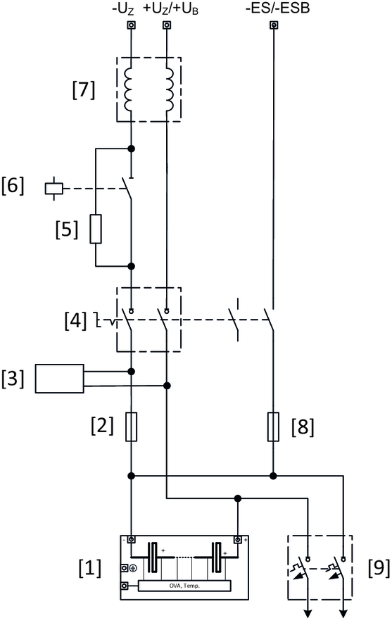
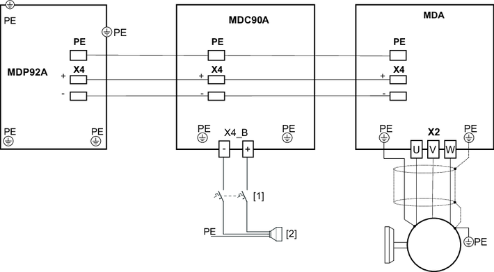
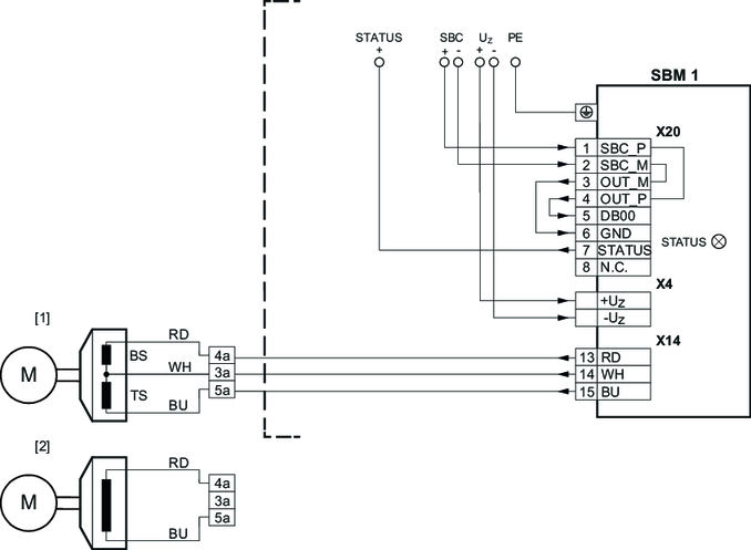
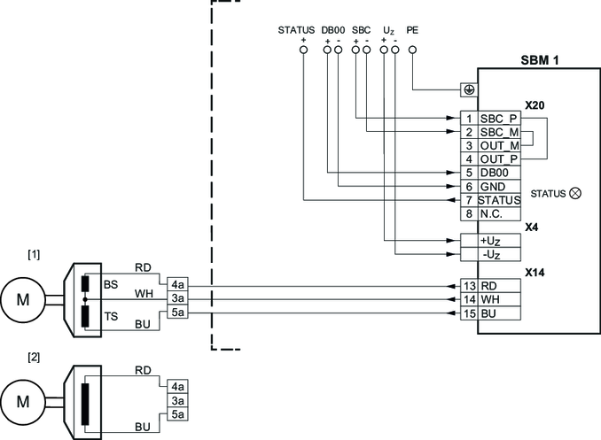
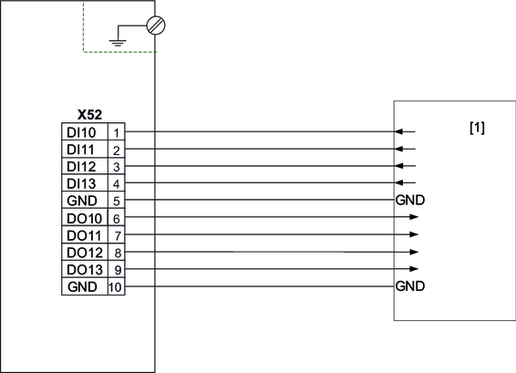
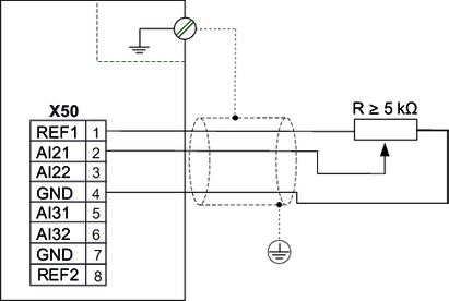
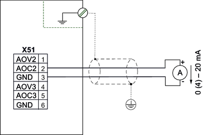
Elektrische Installation
Inbetriebnahme
- Inbetriebnahme mit Engineering-Software MOVISUITE®
- Inbetriebnahme von Fremdmotoren
- Inbetriebnahme von Motoren mit Schnittstelle MOVILINK® DDI
- Ablaufdiagramm MDR90B.. sinusförmig
- Ablaufdiagramm MDR91B.. blockförmig
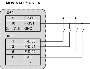
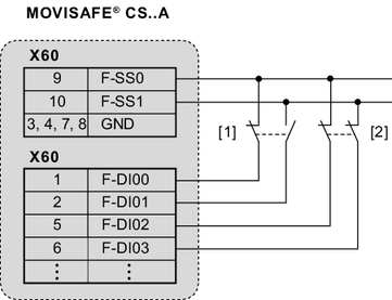
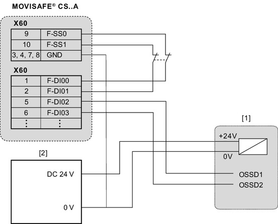
- Inbetriebnahme der Sicherheitsoption MOVISAFE® CS..A
- Inbetriebnahme der Sicherheitsoption am Sicherheitsprotokoll



























































































































































































































































































































































































































































































































































































