Actuator (two-channel, sourcing output)

[1] | Actuator |
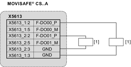
Connect the actuator on two channels between F-DO00_P and GND as well as F‑DO01_P and GND. The input of the actuator does not have to be zero potential. The two-channel, sourcing output connection variant is suitable for applications up to SIL 3 pursuant to EN 61508 and performance level e pursuant to EN ISO 13849-1.
This connection type cannot be adjusted directly via a parameter, but is instead achieved by the following parameterization and control of the two outputs involved:
- Both outputs are parameterized as single-channel sourcing outputs.
- Both outputs are switched simultaneously. This can be achieved via a safety sub-function (STO, SBC) assigned to both outputs or via the safe process output data F-PO (F-DO00 and F-DO01).
The MOVISAFE® CS..A safety option detects the following faults in the external cabling when the output is disabled or enabled:
- Short circuit between sourcing output and a supply voltage that lies within the range of 15 to 30 V and has the same ground potential as the other assembly.
The MOVISAFE® CS..A safety option can detect the following faults when the output is enabled:
- Short circuit between different sourcing outputs
- Short circuit between the sourcing output and the reference potential
- Overload on each output
- Wire break (if activated)

WARNING

In case of a short circuit between the sourcing output and a 24 V supply voltage, the MOVISAFE® CS..A safety option can no longer disable the actuator and thus cannot switch to a safe state.
Severe or fatal injuries.
- Route the cables in such a way that no short circuit can occur between the sourcing output and a +24 V supply voltage.