带电源接触器的电源接头,单相

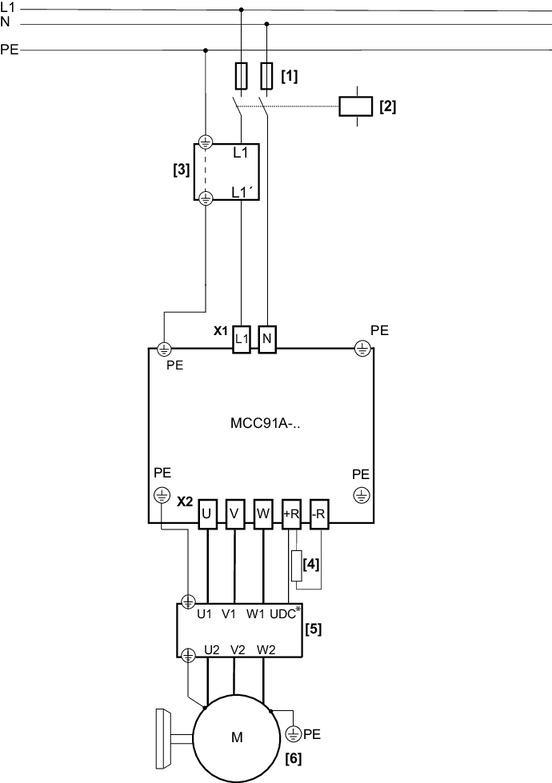
下图举例显示了带电源接触器、电源扼流圈和输出扼流圈或输出滤波器的电源接头的接线情况。

*

仅针对输出滤波器HF..

[1]

保险丝

[2]

电源接触器

[3]

电源扼流圈(可选)

[4]

制动电阻(可选)

[5]

输出扼流圈或输出滤波器(两个都可选)

[6]

电机