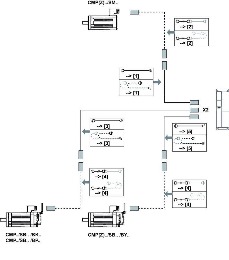
Cables prefabricados

Información adicional
  • Significado de los símbolos
  • Cable de potencia
  • Cable de bus de sistema

SEW-EURODRIVE GmbH & Co KG

Edición: 03/2025

© Copyright: 2025

Índice alfabético

MOVITRAC® classic

Idioma

  • Deutsch
  • English
  • Español
  • 汉语
  • Brasileiro
SEW-EURODRIVE LogoSEW-EURODRIVE
  • Principal
  • Cables prefabricados