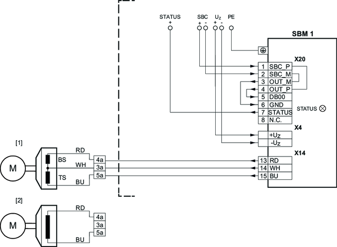
利用控制线实现的SBM制动控制
图标的含义参见
图例
一章。
[1]
连接采用3线技术的制动器(标准)
[2]
连接采用2线技术的制动器(可选)。此时无需将制动模块的端子X14:14连接到辅助端子排的端子3a上。
❮
❯
MOVIDRIVE® system
语言
Deutsch
汉语
Español
Brasileiro
English
Français
SEW-EURODRIVE
首页
电气安装
接线图
制动控制连接
利用控制线实现的SBM制动控制