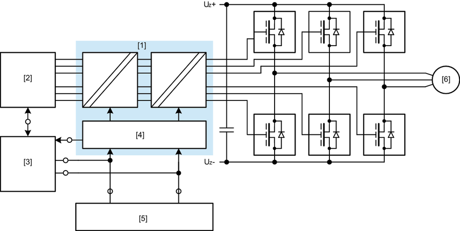
Schematic representation of the STO safety concept

[1]

STO function

[2]

Drive controller

[3]

Internal safety option (optional)

[4]

Diagnostics and inhibiting unit

[5]

External safety device (optional)

[6]

Motor