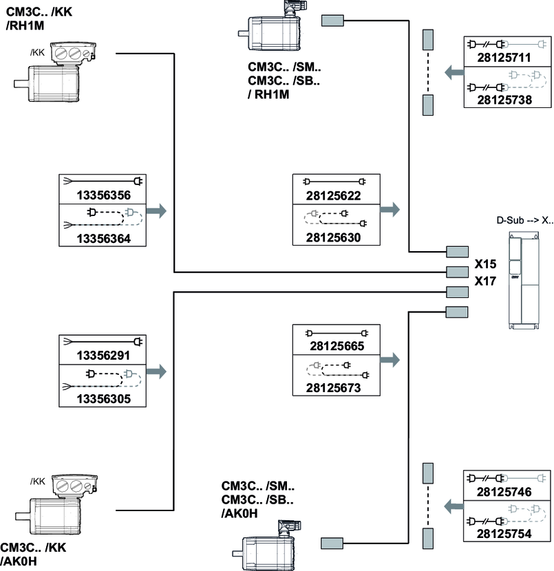
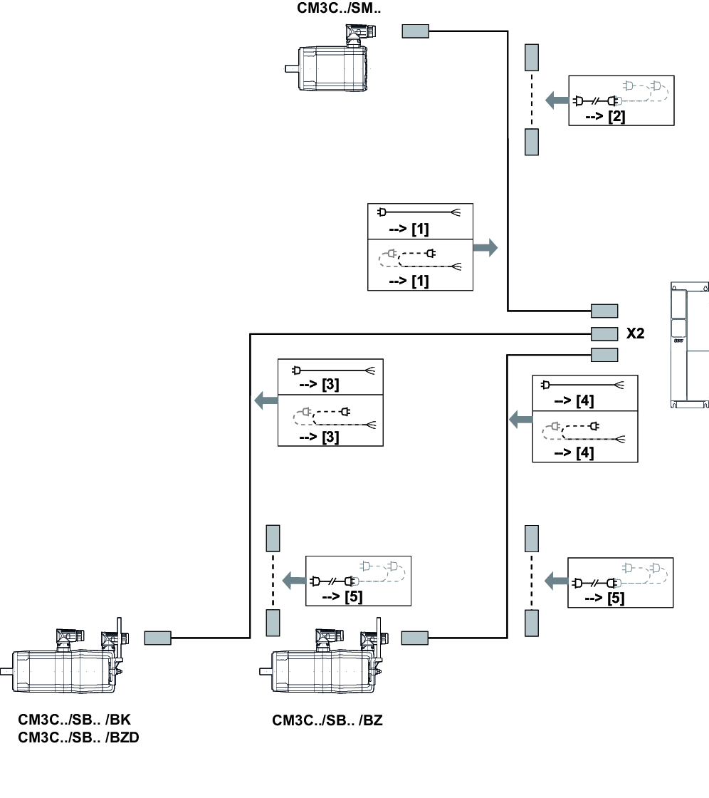
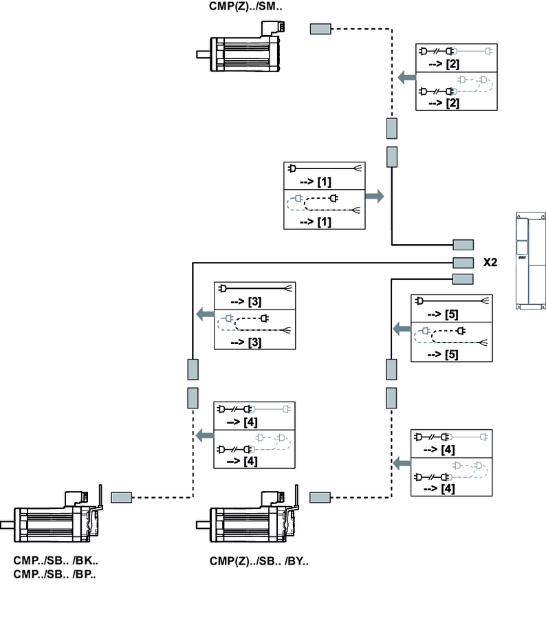
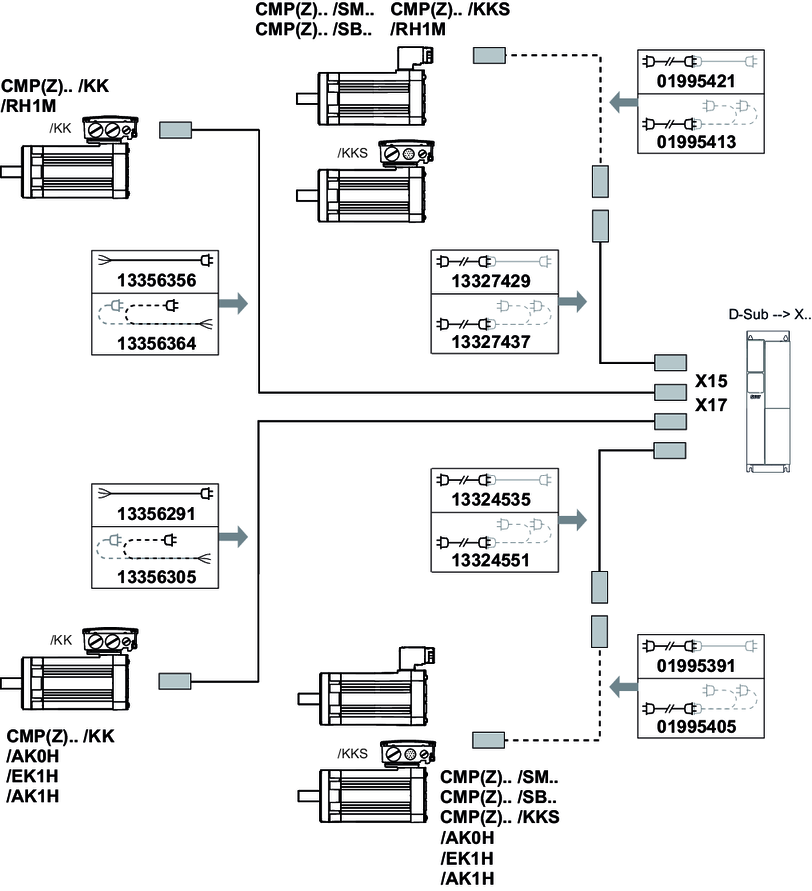
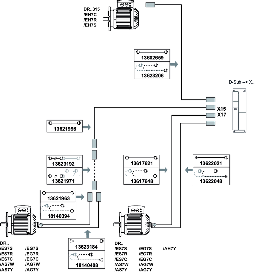
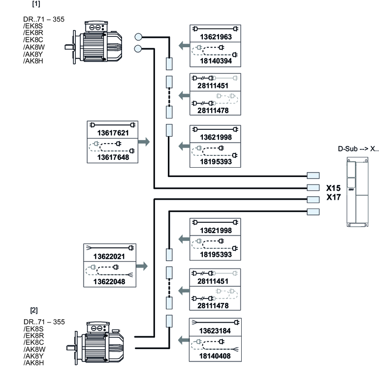
Prefabricated cables

Additional information
  • Meaning of the symbols
  • Power cable
  • Encoder cable
  • Cables for MOVILINK® DDI
  • Module bus cable
  • System bus cable

SEW-EURODRIVE GmbH & Co KG

Edition: 03/2025

© Copyright: 2025

Index

MOVIDRIVE® system

Language

  • Deutsch
  • 汉语
  • Español
  • Brasileiro
  • English
  • Français
SEW-EURODRIVE LogoSEW-EURODRIVE
  • Home
  • Prefabricated cables