Electrical installation
Additional information
- Installation planning taking EMC aspects into account
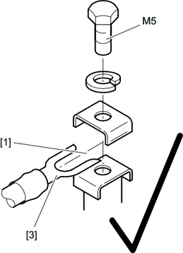
- Equipotential bonding at the connection box
- Installation instructions
- Installation topology (example: standard installation)
- Terminal assignment of MOVIMOT® flexible DAC
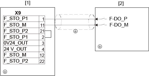
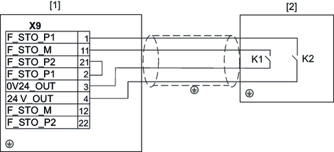
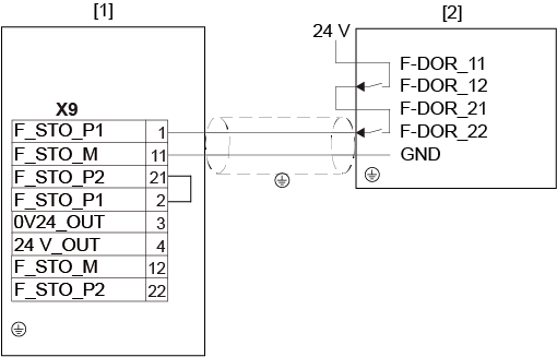
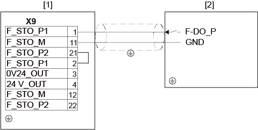
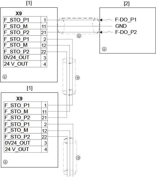
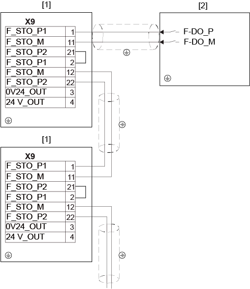
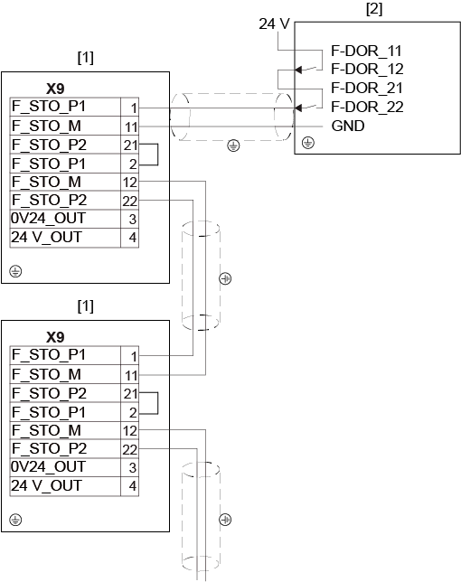
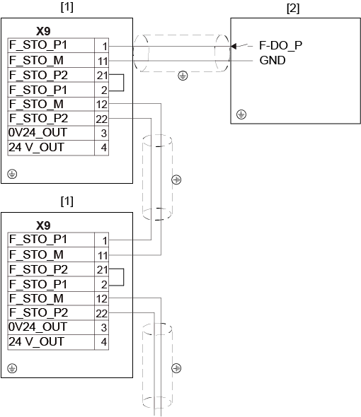
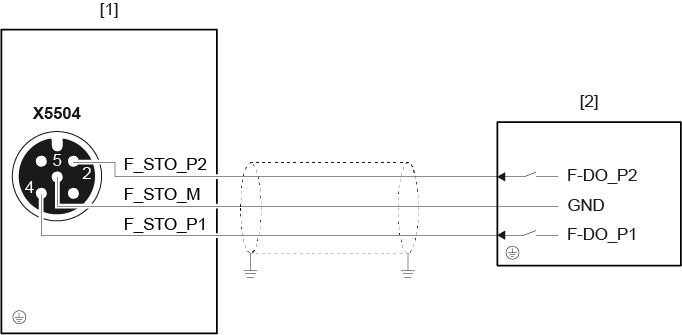
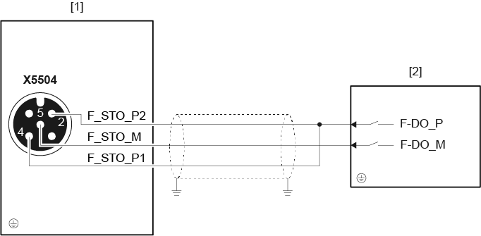
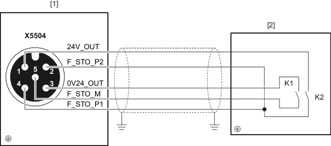
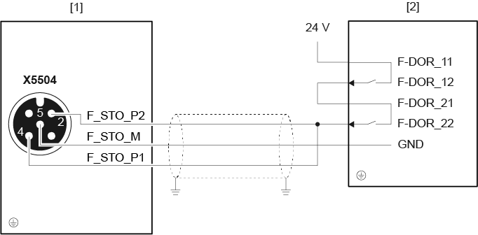
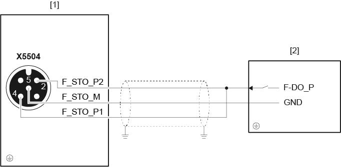
- Electrical installation – functional safety
- Connection diagram MOVIMOT® flexible DAC
- Cable routing and cable shielding
- EMC cable glands
- Bulk cables
- Connectors
- Assignment of optional plug connectors
- Connector assignment at the electronics cover
- Connector assignment at the front module with integrated local control
- PC connection































































































