¿Cómo podemos ayudarle?
Temas importantes
Planificación de proyecto de seguridad funcional
Estructura de la unidad
Instalación eléctrica
- Planificación de la instalación en función de la compatibilidad electromagnética
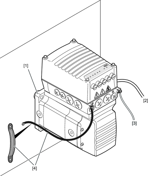
- Conexión equipotencial
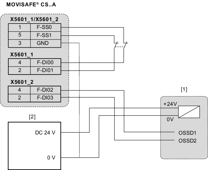
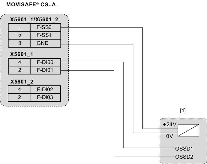
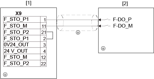
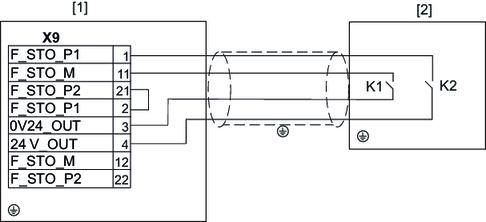
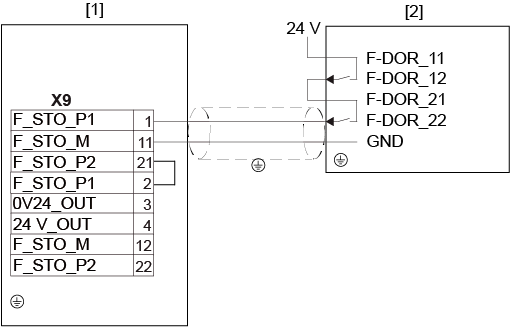
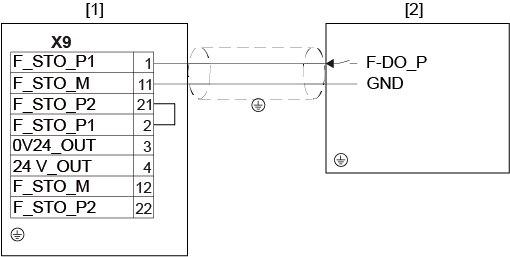
- Asignación de bornas de MOVIMOT® performance DSI
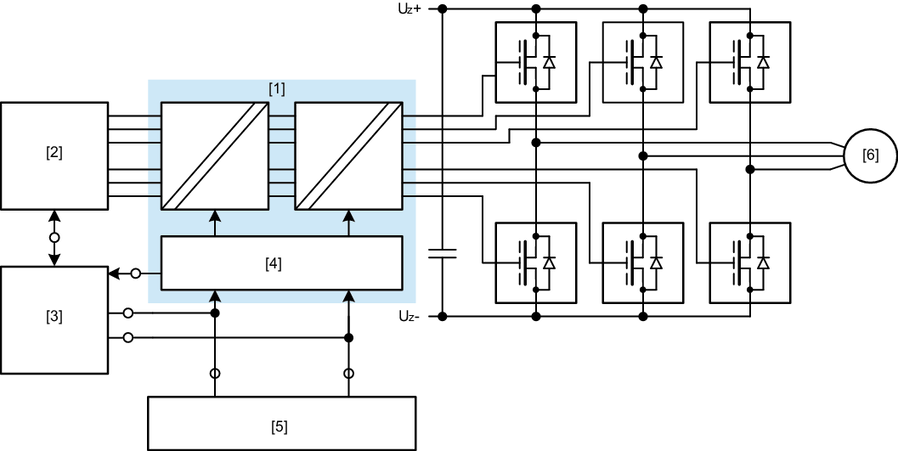
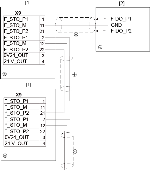
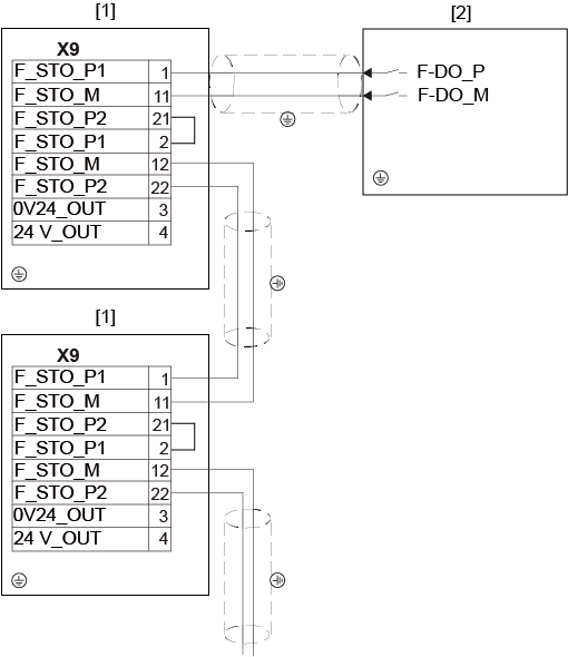
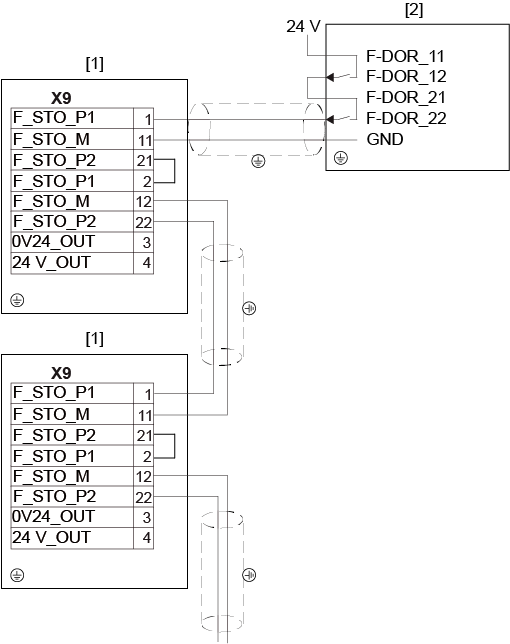
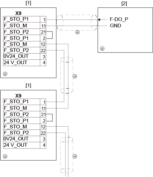
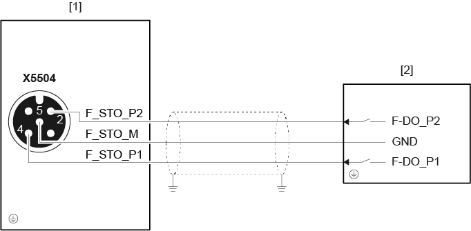
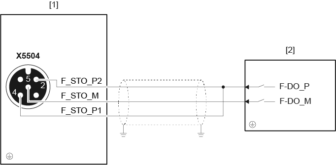
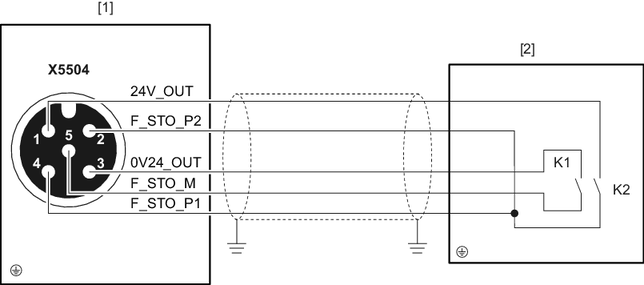
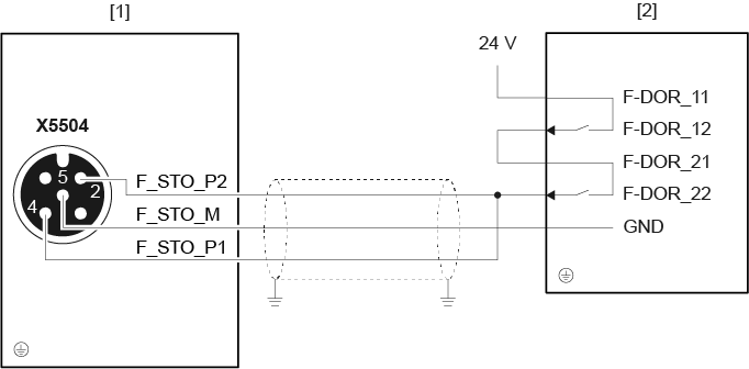
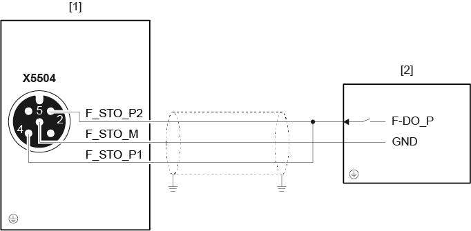
- Esquema de conexiones de MOVIMOT® performance DSI
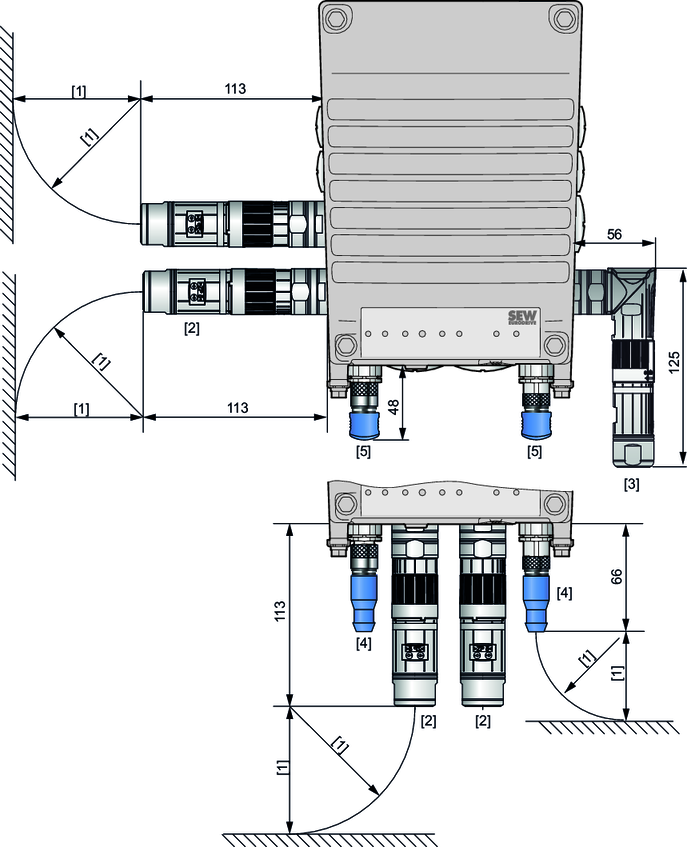
- Posiciones de conectores de la unidad de accionamiento MOVIMOT® performance DFC, DSI tamaño 1
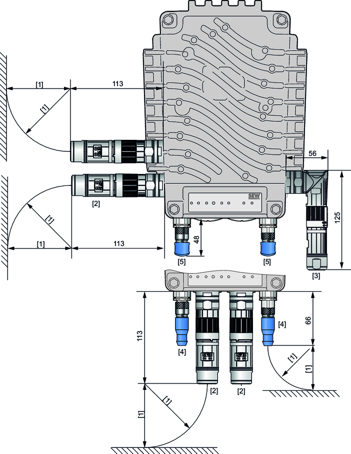
- Posiciones de los conectores enchufables tapa de la electrónica DSI..
- Conexión PC





























































































































































































































































































































































































