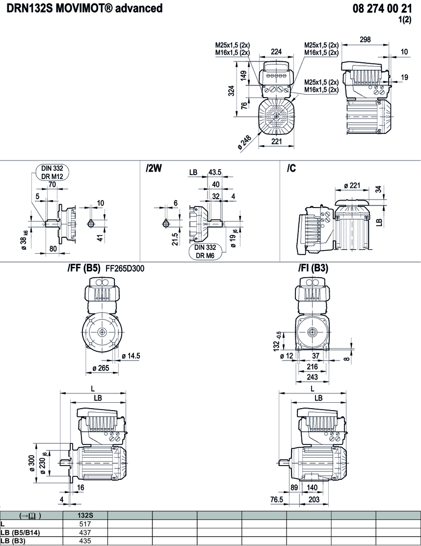
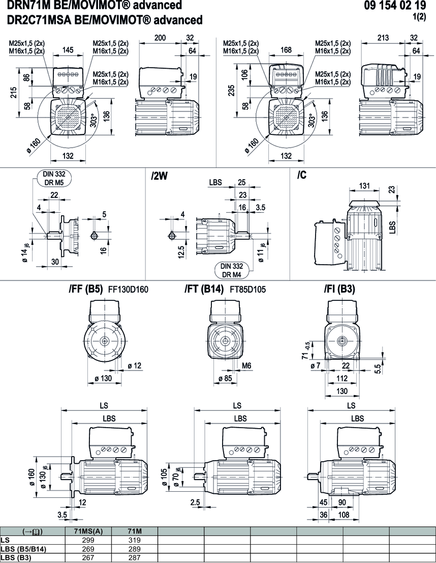
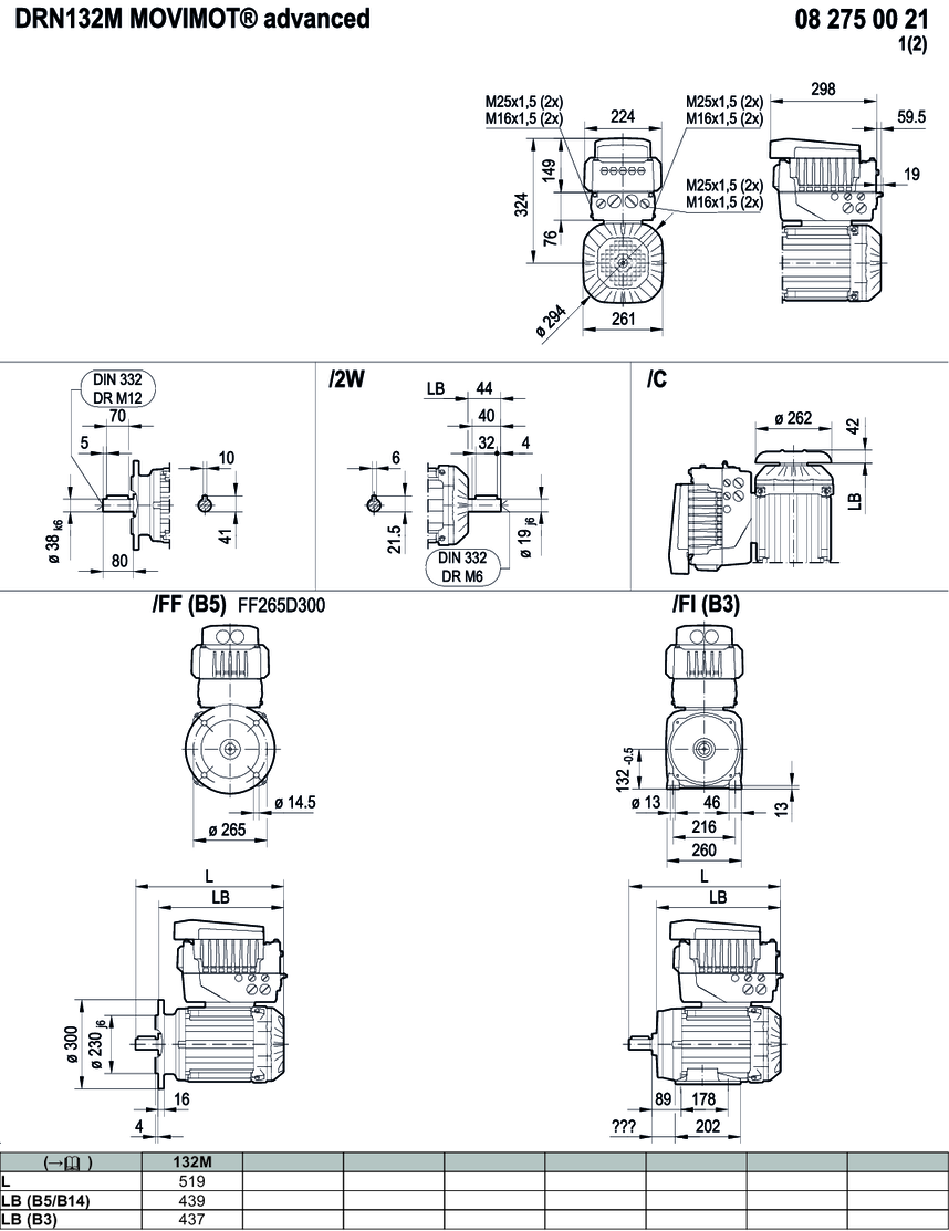
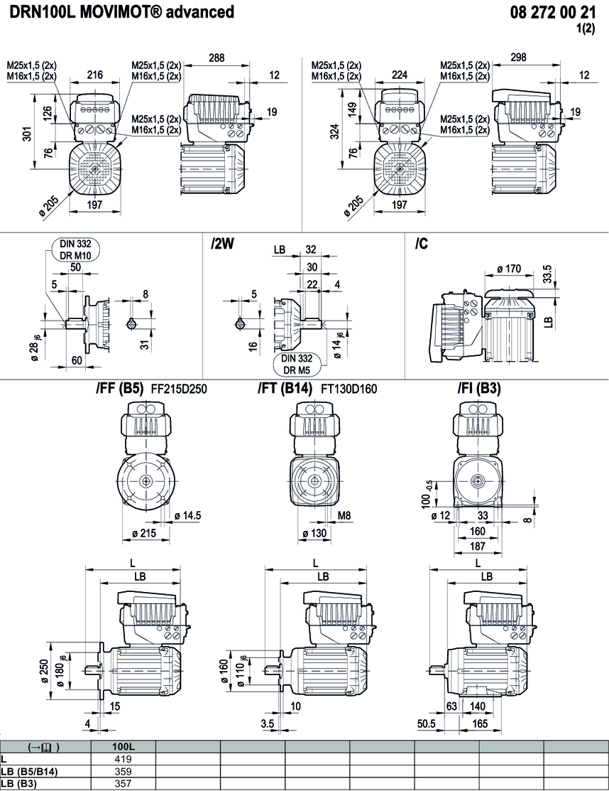
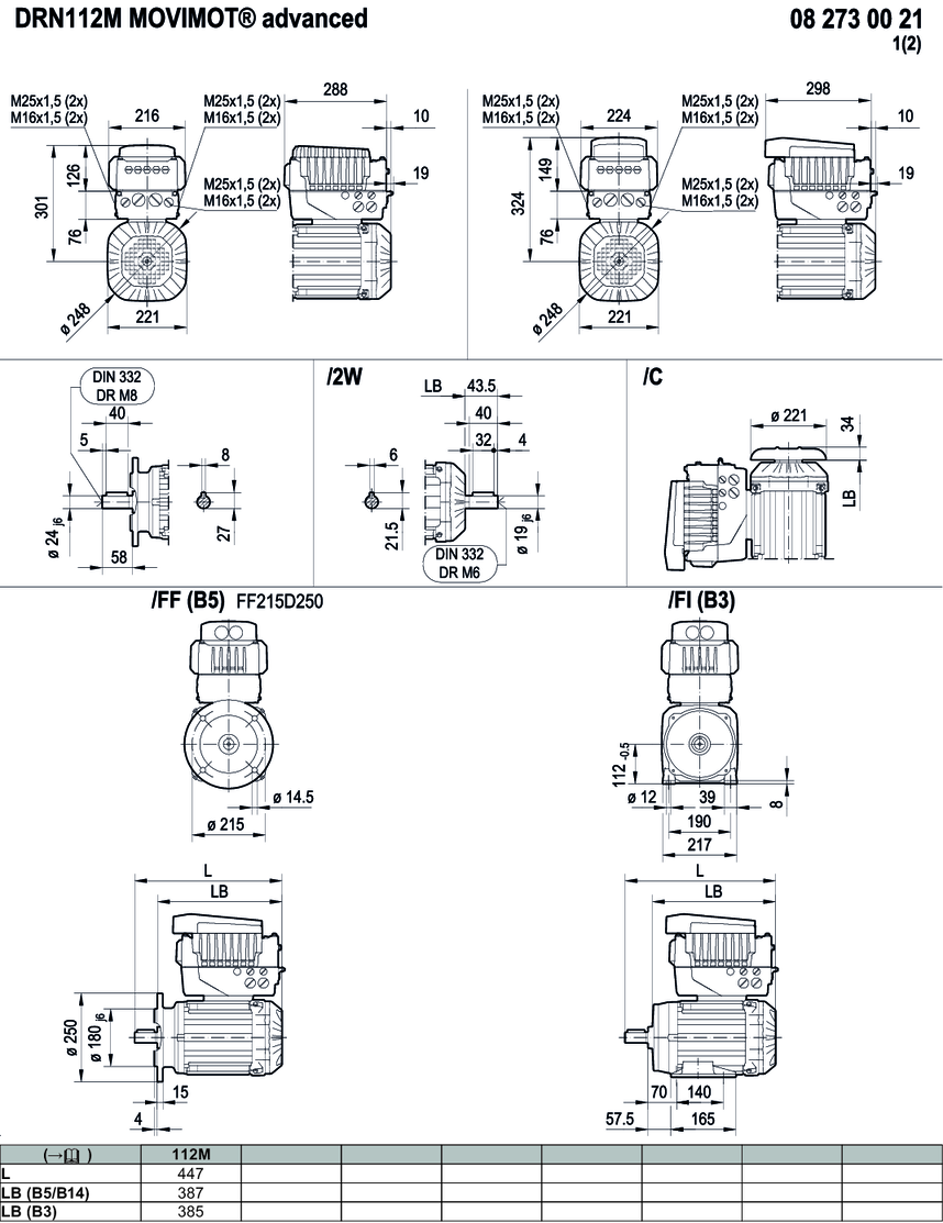
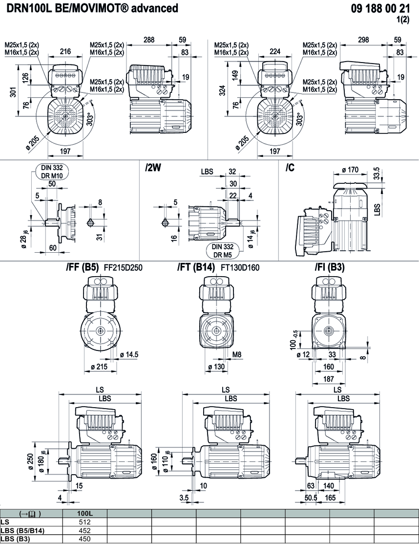
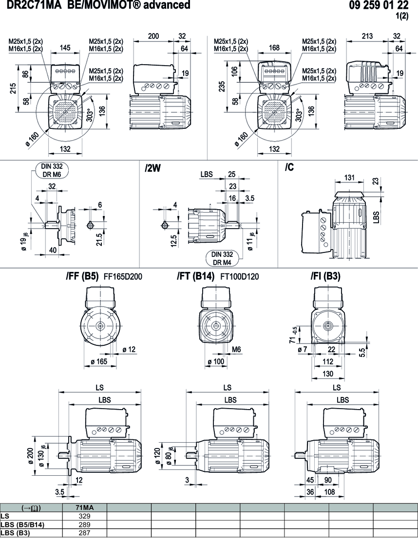
Dimension drawings of MOVIMOT
®
advanced
For gearmotor dimension sheets, refer to the "MOVIMOT® advanced Gearmotors.." catalog.
❮
❯
MOVIMOT® advanced DFC
Language
Deutsch
English
Français
Español
Brasileiro
汉语
SEW-EURODRIVE
Home
Technical data
Dimension drawings of the drive unit
Dimension drawings of MOVIMOT® advanced