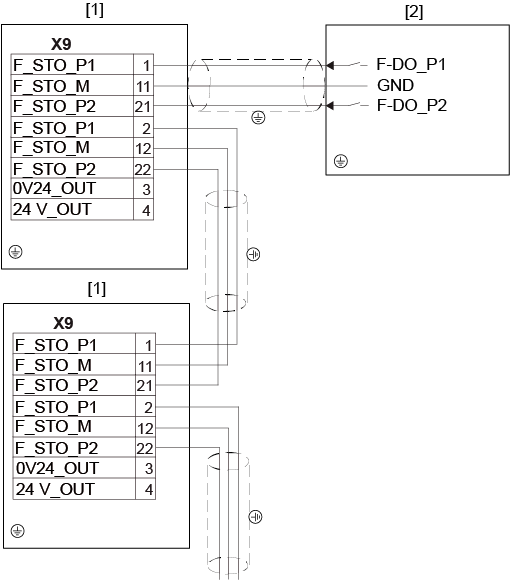
Desconexión en grupo STO bipolar, conmutación P
[1]
Unidad de accionamiento
[2]
Control de seguridad externo
❮
❯
MOVIGEAR® performance DFC
Idioma
Deutsch
English
Français
Español
Brasileiro
汉语
SEW-EURODRIVE
Principal
Instalación eléctrica
Instalación eléctrica – Seguridad funcional
Variantes de conexión de la función parcial de seguridad STO
Esquemas de conexiones de las variantes de conexión
Conexión STO mediante borna X9
Desconexión en grupo STO bipolar, conmutación P