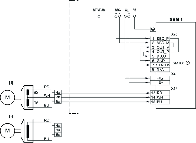
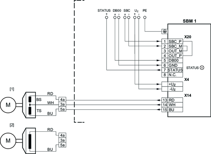
接线图

更多的信息
  • 电源连接
  • 制动控制连接
  • 连接输入/输出卡CIO21A和CID21A

SEW-EURODRIVE GmbH & Co KG

版本: 03/2025

© Copyright: 2025

关键词索引

MOVIDRIVE® modular

语言

  • Deutsch
  • English
  • Brasileiro
  • Español
  • 汉语
SEW-EURODRIVE LogoSEW-EURODRIVE
  • 首页
  • 电气安装
  • 接线图