功能安全项目设计

更多的信息
  • 概述
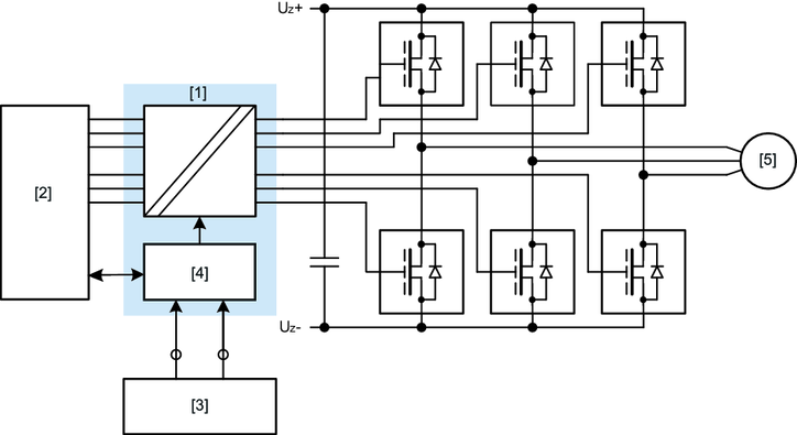
  • 集成安全技术
  • 安全技术规定
  • 连接形式
  • 安全特性值

SEW-EURODRIVE GmbH & Co KG

版本: 05/2025

© Copyright: 2025

关键词索引

MOVIMOT® performance ELV

语言

  • Deutsch
  • English
  • Us-English
  • Español
  • Brasileiro
  • 汉语
  • Français
SEW-EURODRIVE LogoSEW-EURODRIVE
  • 首页
  • 功能安全项目设计