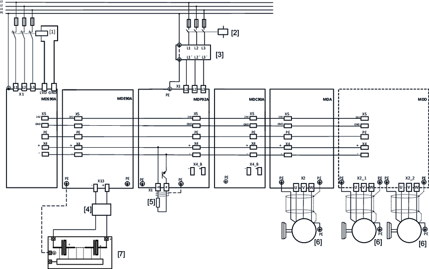
Combination mode wiring diagram

1 | NC contact contactor |
2 | Line contactor (optional) |
3 | Line filter |
4 | Storage unit connection |
5 | Braking resistor |
6 | Motor |
7 | Energy storage unit |
Information about fusing the energy storage units can be found in the "External energy storage units" operating instructions, in the "Energy storage systems" product manual, as well as in the "MOVI-DPS® storage unit" operating instructions.