Wie können wir helfen?
Wichtige Themen
Funktionsbeschreibung
Betriebsarten
Inbetriebnahme
Inbetriebnahmeablauf
Konfiguration
Regelungsfunktionen
Anwendungsbeispiele
Referenzierung einer Achsgruppe
Neue Hilfeinhalte
Verhalten der Software-Endschalter
Mehr erfahren...
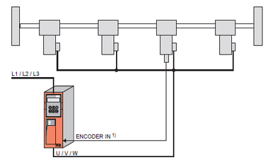
Überwachung von Geberkopplungen
Mehr erfahren...
Bremsentest
Mehr erfahren...
Optimierungsmonitor
Mehr erfahren...
MOVIKIT® MultiAxisController
Sprache
Deutsch
English
SEW-EURODRIVE
Home