Operação

Informações adicionais
  • Modos de operação
  • Funções adicionais
  • Outras funções

SEW-EURODRIVE GmbH & Co KG

Edição: 01/2025

© Copyright: 2025

Índice remissivo

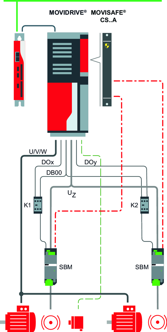
MOVIKIT® Positioning Drive, Velocity Drive

Idioma

  • Deutsch
  • English
  • Español
  • 汉语
  • Brasileiro
  • Italiano
SEW-EURODRIVE LogoSEW-EURODRIVE
  • Página inicial
  • Operação