Overview of wiring diagrams
Additional information
- Assignment of wiring diagrams to encoder designs
- Structure of wiring diagram of EI7. built-in encoder
- Structure of wiring diagram of EI7C FS built-in encoder
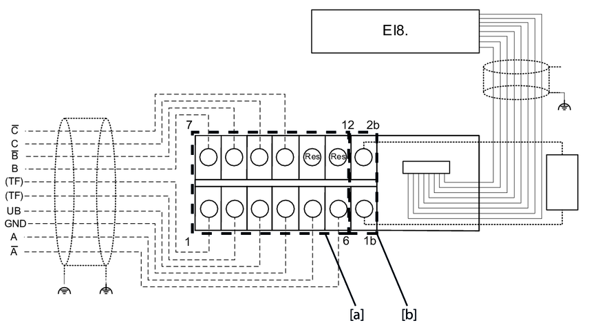
- Structure of wiring diagram of EI8R, EI8C
- Structure of wiring diagram of EK8., AK8., ES7., AS7., EG7., AG7., RK8M add-on encoders
- Structure of wiring diagram of EK8X add-on encoder – with adjustable resolution








