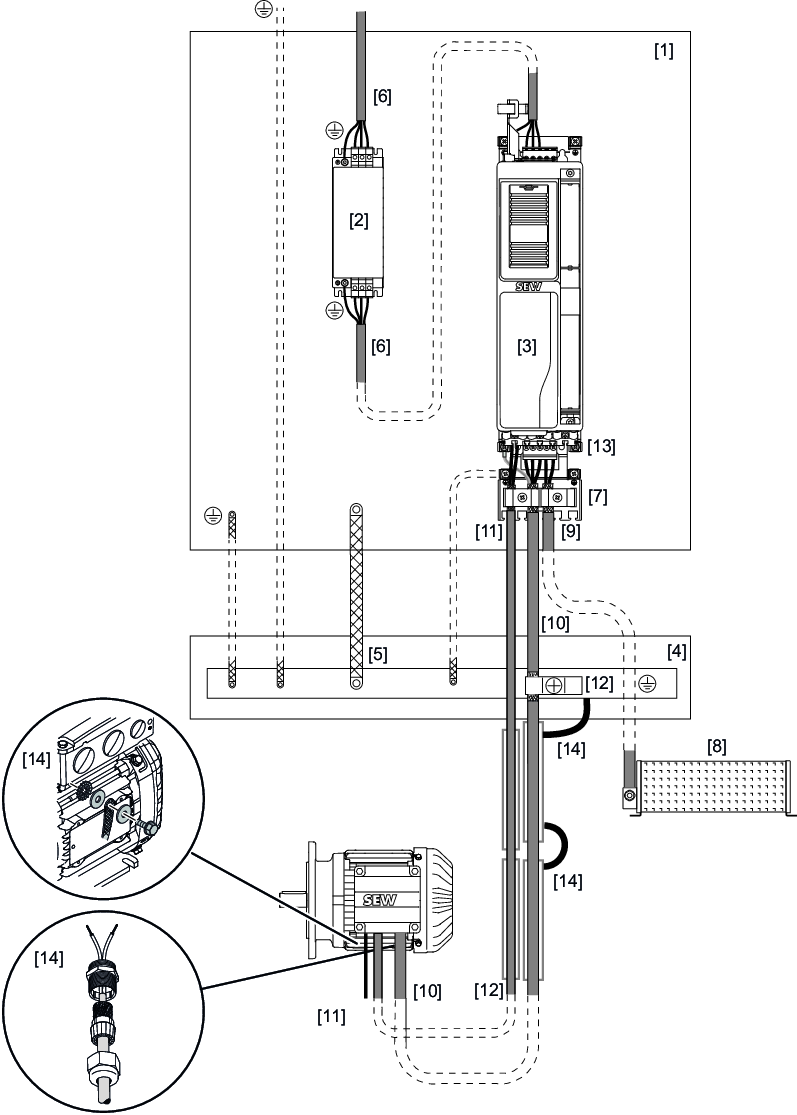
Electrical installation
Additional information
- Installation planning considering EMC aspects
- Installation instructions
- Connection to power terminals
- 24 V supply voltage
- Line fuses
- Brake chopper output
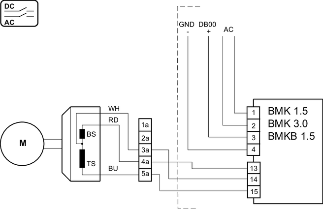
- Temperature evaluation
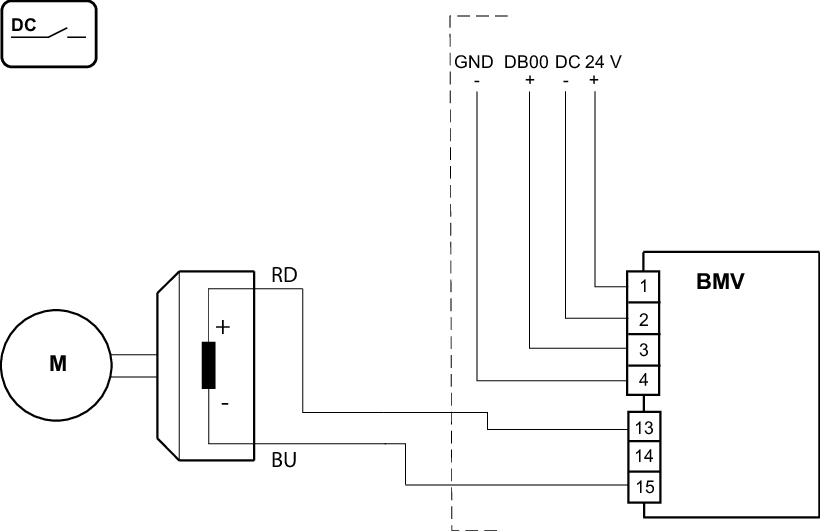
- Brake control output
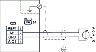
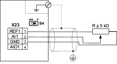
- Inputs/outputs
- Encoders
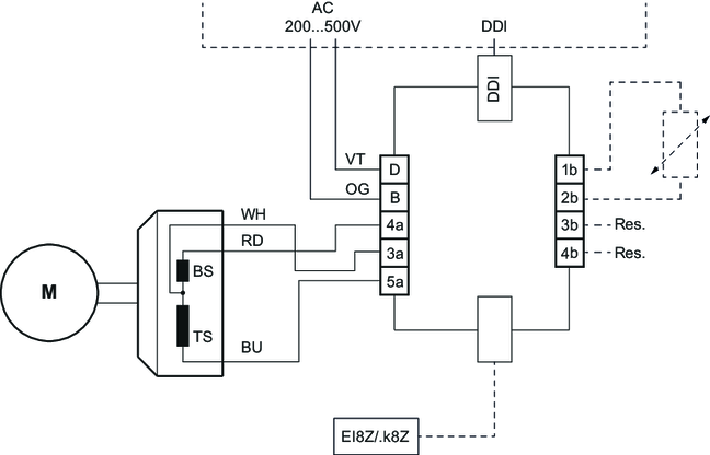
- MOVILINK® DDI
- Fieldbus cables and cable routing
- BW.. braking resistors
- ND.. line choke
- NF.. line filter
- Terminal assignment
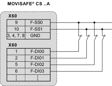
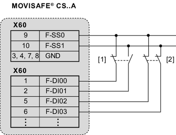
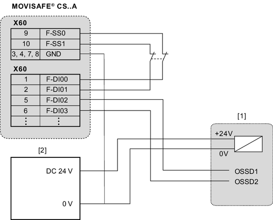
- Electrical installation – functional safety
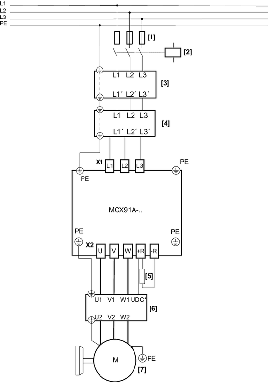
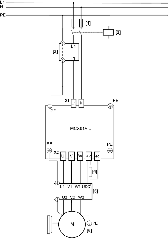
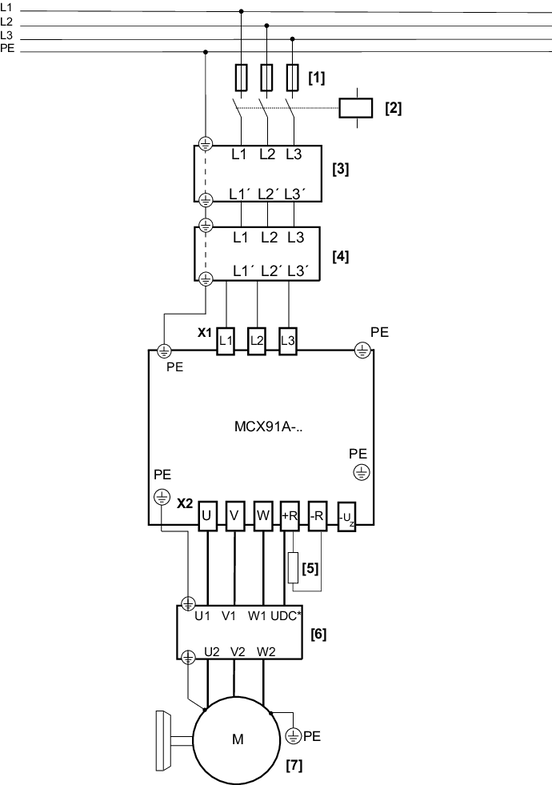
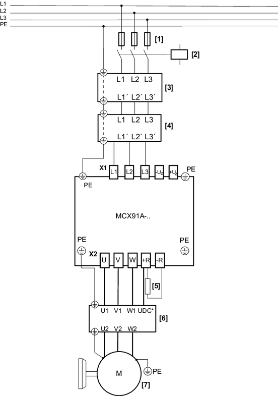
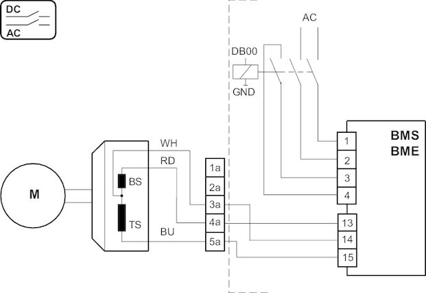
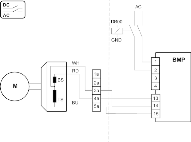
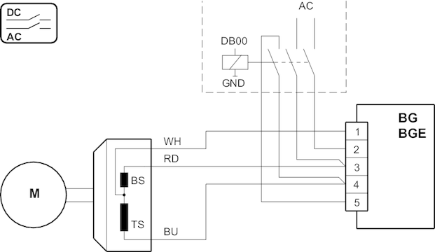
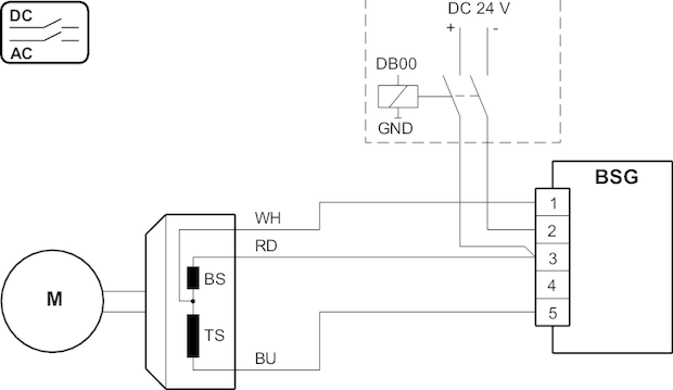
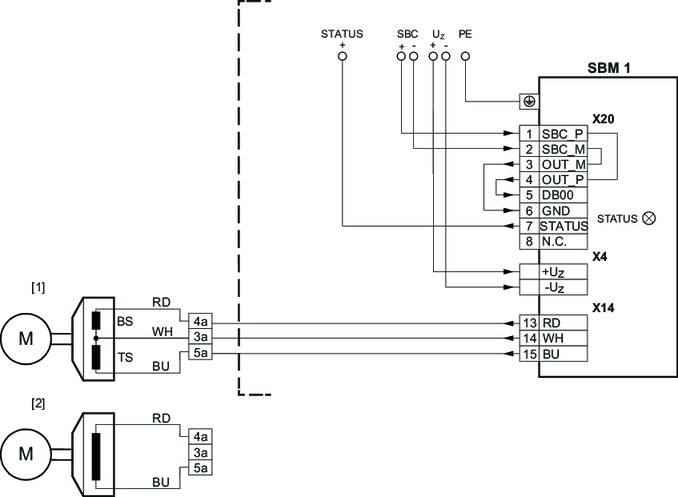
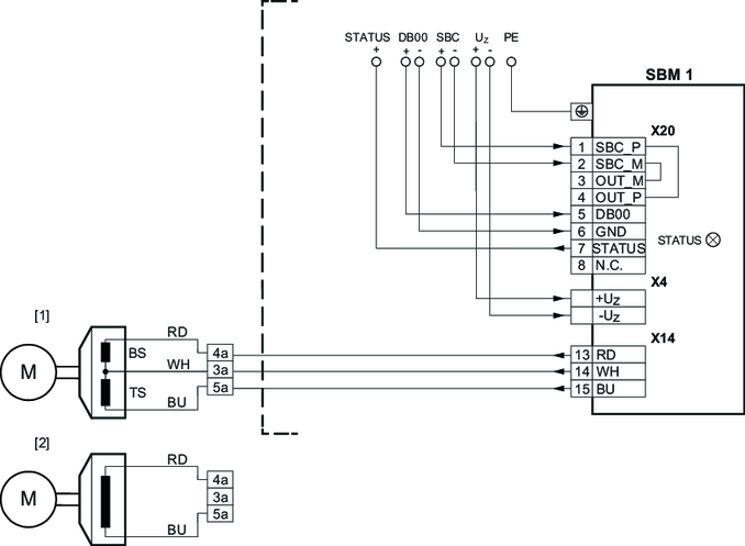
- Wiring diagrams
- PC connection

























































































