Integrierte Sicherheitstechnik
Weiterführende Informationen
- Übersicht der Firmware-Versionen
- Übersicht der Sicherheitsoptionen
- Sicherer Zustand
- Sicherheitskonzept STO
- Sicherheitskonzept STO
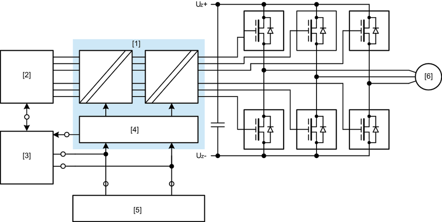
- Schematische Darstellung des Sicherheitskonzepts STO
- Sicherheitskonzept MOVISAFE® CS..A
- Sicherheits-Teilfunktionen gemäß EN 61800-5-2
- Einschränkungen
- Sicherheitskonzept Assist CS..














