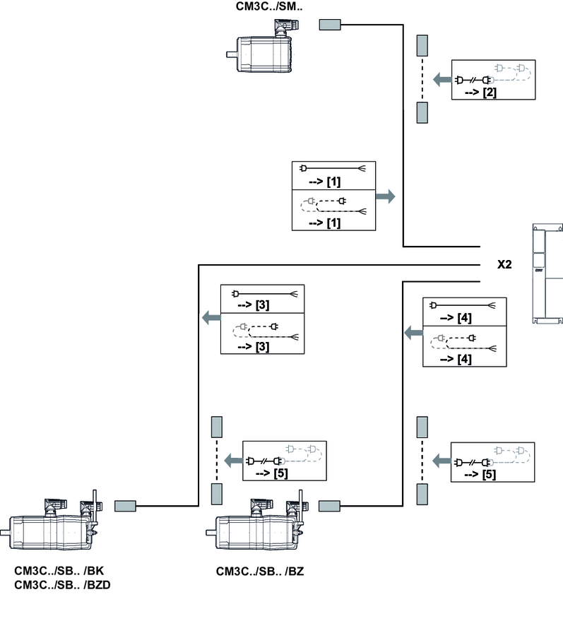
Konfektionierte Kabel

Weiterführende Informationen
  • Bedeutung der Symbole
  • Leistungskabel
  • Geberkabel
  • Kabel für MOVILINK® DDI
  • Modulbuskabel
  • Systembuskabel

SEW-EURODRIVE GmbH & Co KG

Ausgabe: 7 / 24

© Copyright: 2024

Stichwortverzeichnis

MOVIDRIVE® technology

Sprache

  • Deutsch
SEW-EURODRIVE LogoSEW-EURODRIVE
  • Home
  • Konfektionierte Kabel